GM Service Manual Online
For 1990-2009 cars only
Makes
🢒
Chevrolet
🢒
2007
🢒
Caprice WM
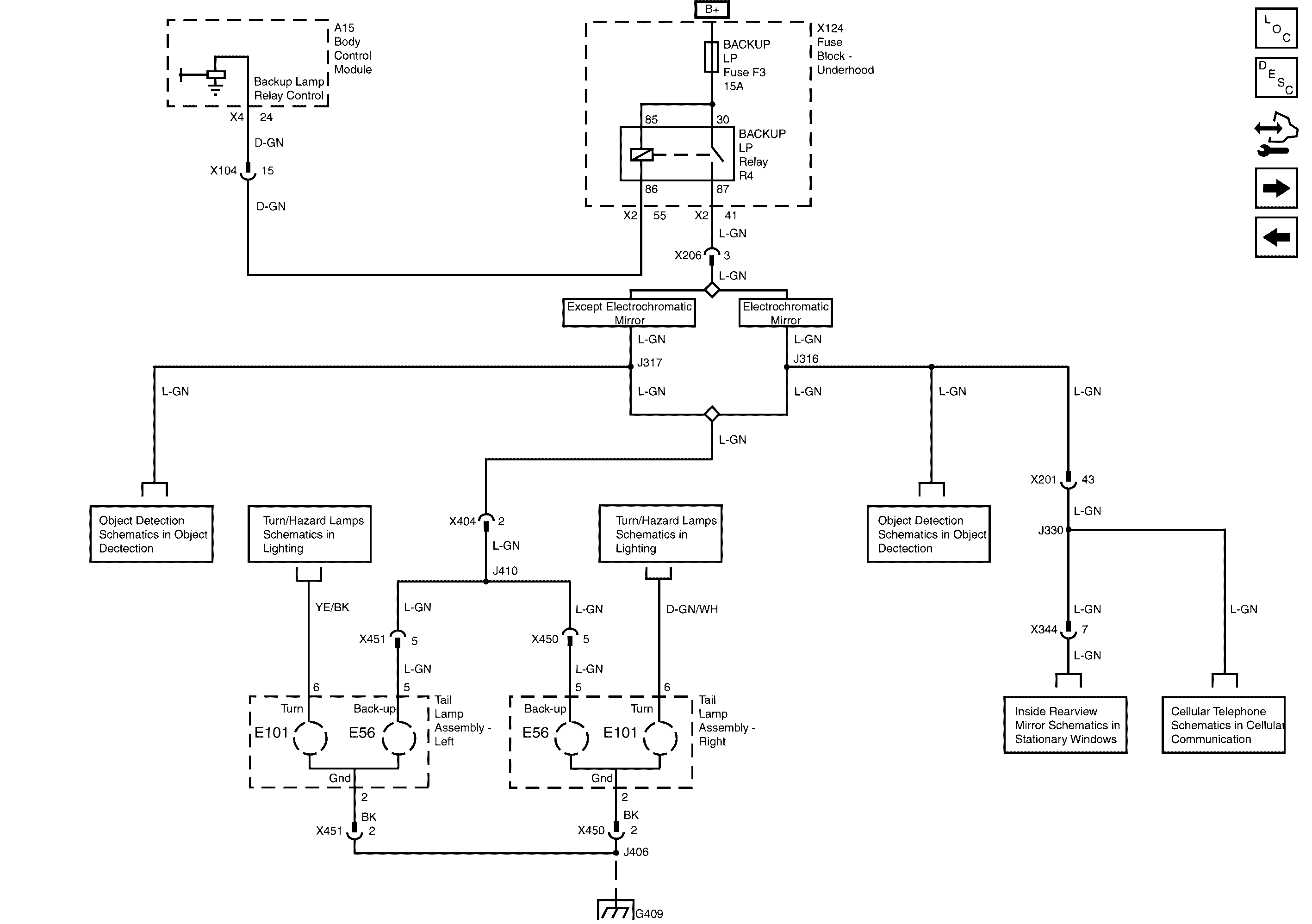
🢒 Backup Lamps Power and Ground
Backup Lamps Power and Ground
Backup Lamps Power and Ground
Master Electrical Component List
Exterior Lighting Systems Description and Operation CSV SWBHSV
Control Module References
Stop Lamps Power and Ground
Exterior Illumination Lamps Power and Ground
G401 and G409
Rear Object Alarm, Module and Sensors, Inputs and Outputs
Module Power, Ground and Serial Data
Headlamp and Turn Signal Multifunction Switches and Ambient Light Sensors
Headlamp and Turn Signal Multifunction Switches and Ambient Light Sensors