GM Service Manual Online
For 1990-2009 cars only
Makes
🢒
Chevrolet
🢒
2000
🢒
Cavalier
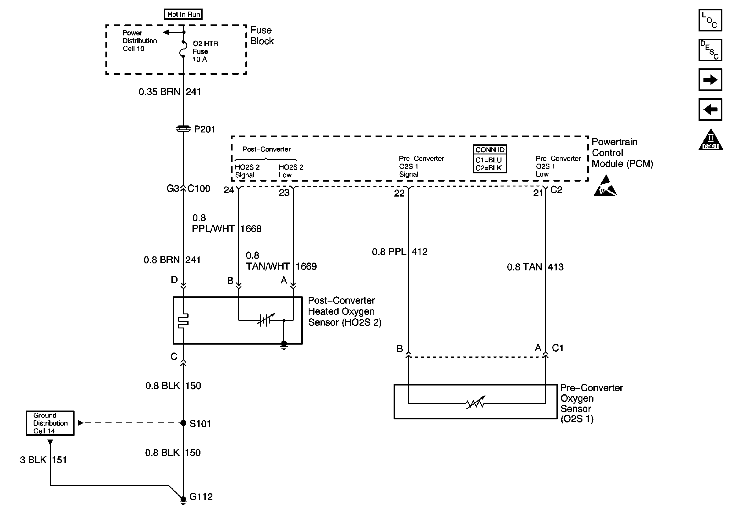
🢒 Power, Ground, and O2 Sensors
Power, Ground, and O2 Sensors
Power, Ground, and O2 Sensors
Engine Controls Components
Powertrain Control Module Description
Generator, IAC, PNP Switch, and Oil Pressure Sensor
Power, Ground, and EVAP
HVAC, O2 HTR, and PWR WDO/SUNROOF Fuses
G112 and G106
Handling ESD Sensitive Parts Notice