GM Service Manual Online
For 1990-2009 cars only

Removal Procedure

  1. Remove the EGR valve. Refer to Exhaust Gas Recirculation Valve Replacement .
  2. Remove the EGR pipe. Refer to Exhaust Gas Recirculation Pipe Replacement .

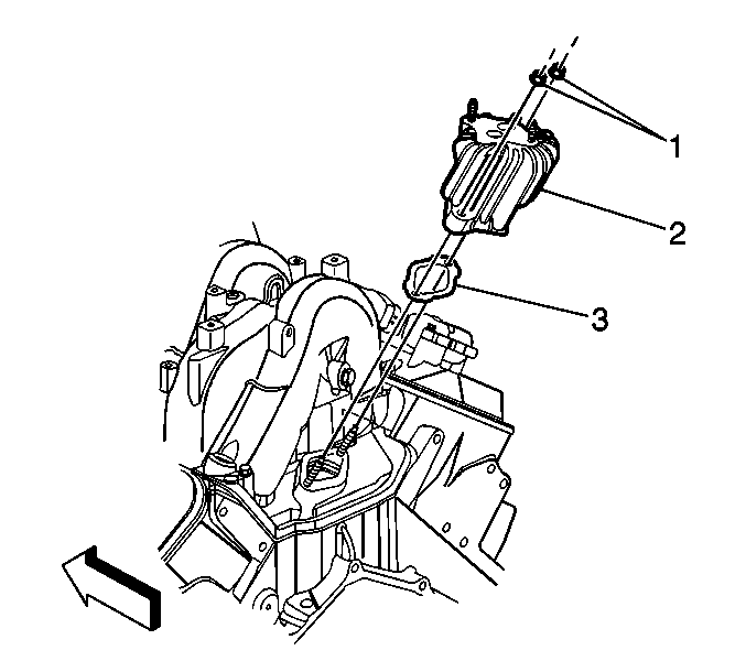
  3. Object Number: 717183  Size: SH
  4. Remove the two EGR valve adapter bracket retaining nuts (1).
  5. Remove the EGR valve adapter bracket (2).
  6. Remove the gasket (3) from the intake manifold.
  7. Clean the intake manifold from dirt and debris.

Installation Procedure

  1. Install a new gasket (3) on the intake manifold.

  2. Object Number: 717183  Size: SH

    Notice: Use the correct fastener in the correct location. Replacement fasteners must be the correct part number for that application. Fasteners requiring replacement or fasteners requiring the use of thread locking compound or sealant are identified in the service procedure. Do not use paints, lubricants, or corrosion inhibitors on fasteners or fastener joint surfaces unless specified. These coatings affect fastener torque and joint clamping force and may damage the fastener. Use the correct tightening sequence and specifications when installing fasteners in order to avoid damage to parts and systems.

  3. Install the EGR valve adapter bracket (2) and two nuts (1).
  4. Tighten
    Tighten the nuts to 22 N·m (16 lb ft).

  5. Install the EGR pipe. Refer to Exhaust Gas Recirculation Pipe Replacement .
  6. Install the EGR valve. Refer to Exhaust Gas Recirculation Valve Replacement .