GM Service Manual Online
For 1990-2009 cars only
Makes
🢒
Chevrolet
🢒
2001
🢒
Chevy C Cab/Chassis HD (GMT 400)
🢒
Body and Accessories
🢒
Seats
🢒 Lumbar Support Schematics
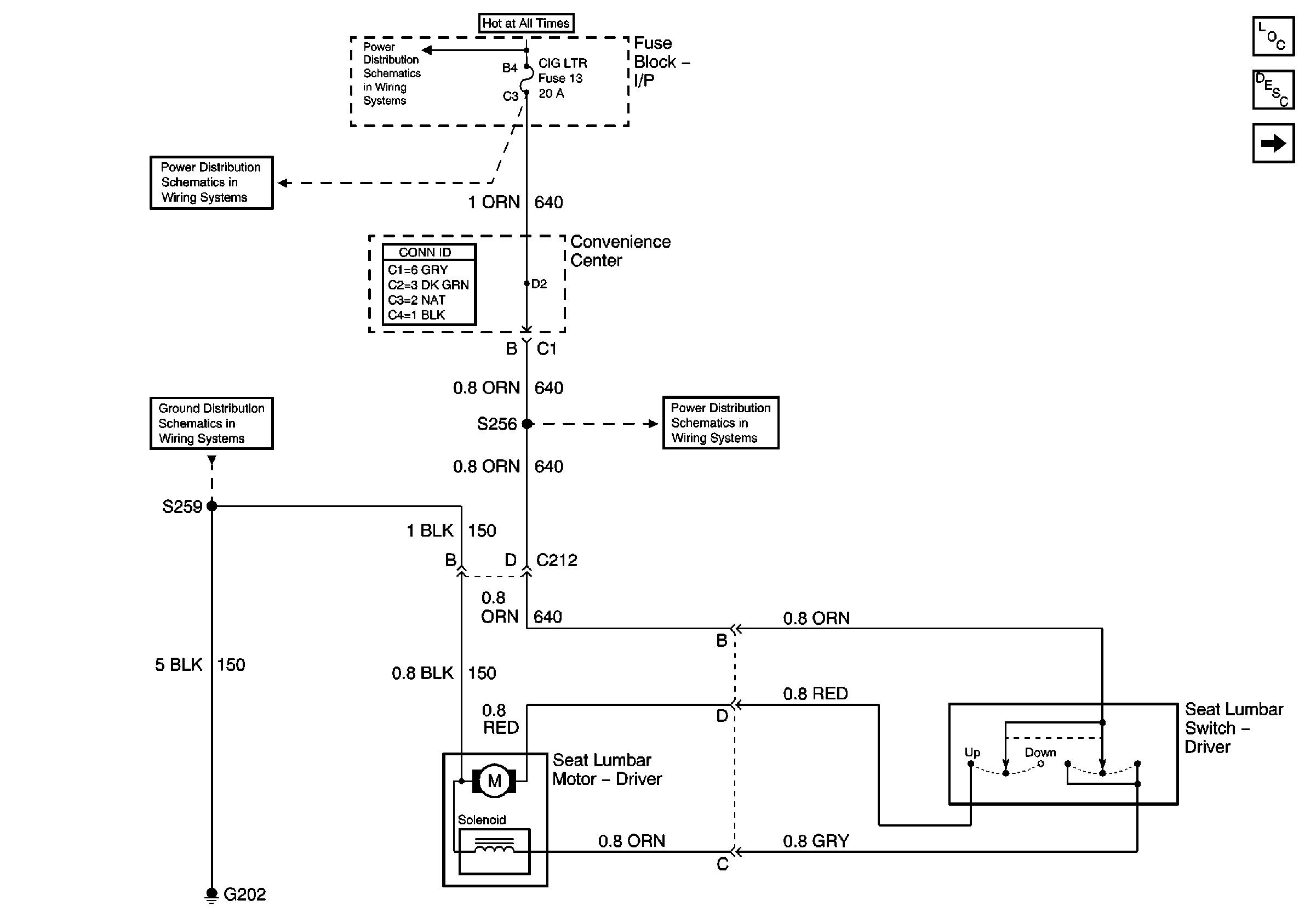
Figure
1:
Lumbar Control-Bench Seat
Stop/Haz, Radio Batt, Aux Pwr, and Cig Ltr Fuses
Lighting and Battery Fuses
Master Electrical Component List
Lumbar Support Description and Operation
Lumbar Control-Bucket Seats with Power
Stop/Haz, Radio Batt, Aux Pwr, and Cig Ltr Fuses
G202
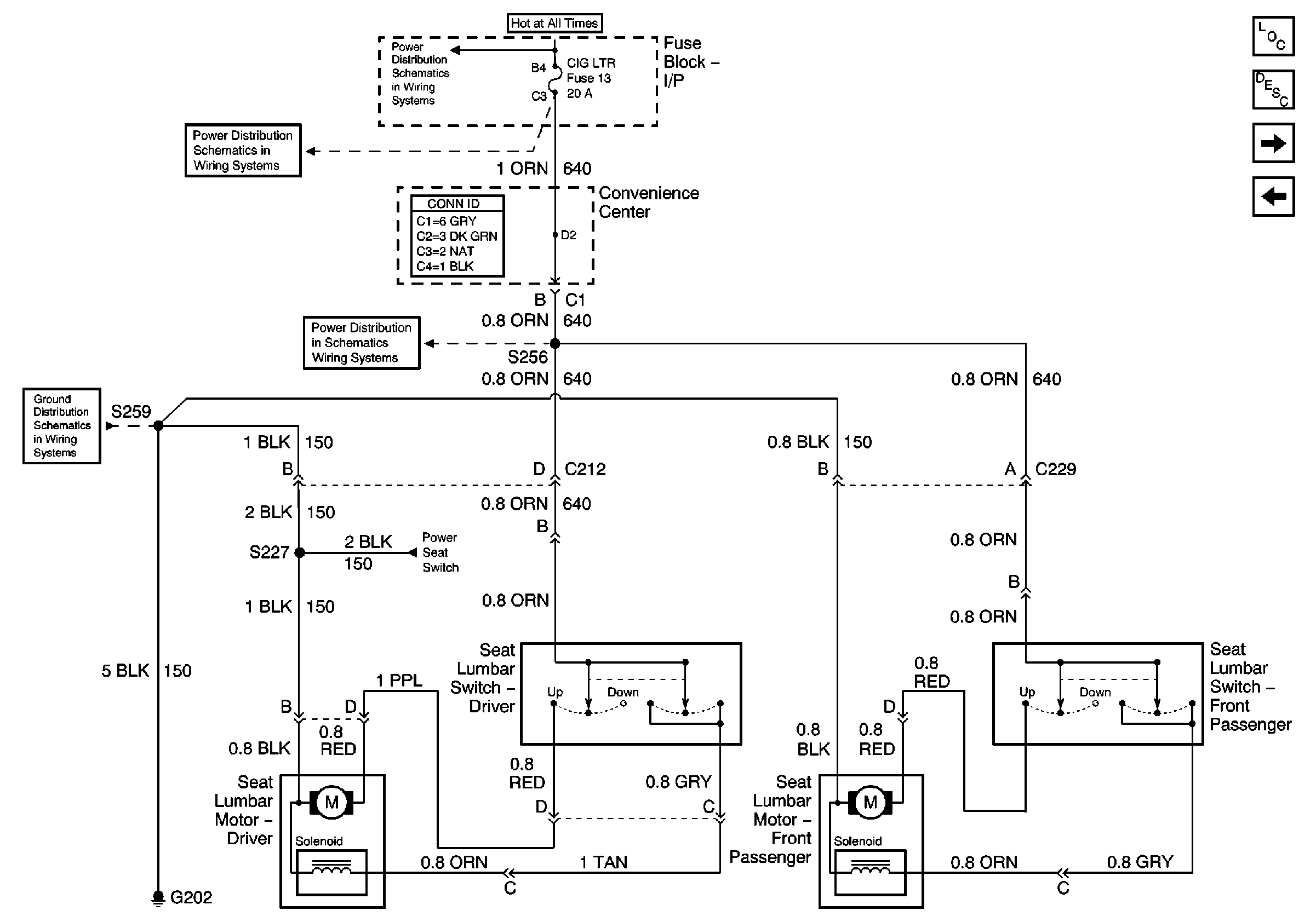
Figure
2:
Lumbar Control-Bucket Seats with Power
Stop/Haz, Radio Batt, Aux Pwr, and Cig Ltr Fuses
Lighting and Battery Fuses
Master Electrical Component List
Lumbar Support Description and Operation
Lumbar Control-Bucket Seats without Power
Lumbar Control-Bench Seat
Power Seat Controls
Stop/Haz, Radio Batt, Aux Pwr, and Cig Ltr Fuses
G202
Figure
3:
Lumbar Control-Bucket Seats without Power
Stop/Haz, Radio Batt, Aux Pwr, and Cig Ltr Fuses
Lighting and Battery Fuses
Master Electrical Component List
Lumbar Support Description and Operation
Lumbar Control-Bucket Seats with Power
Stop/Haz, Radio Batt, Aux Pwr, and Cig Ltr Fuses
G202