GM Service Manual Online
For 1990-2009 cars only
Figure 1:

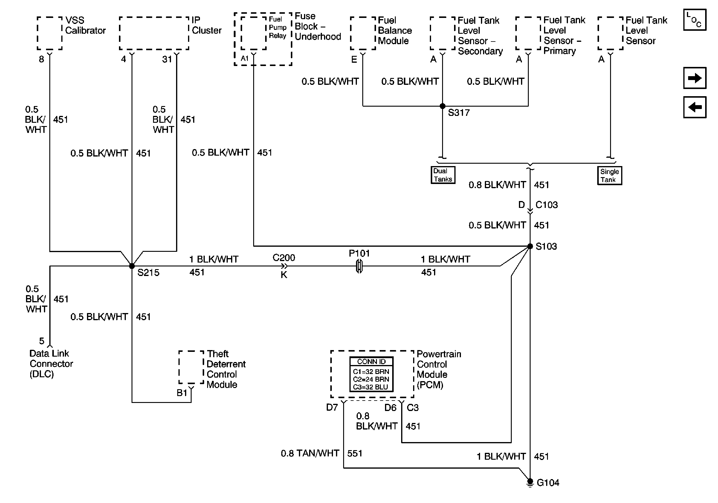
G104, L18, 1 of 2, All Except HO2S Circuit


Object Number: 646983  Size: FS
Master Electrical Component List
G104, L65
Figure 2:

G104, L65


Object Number: 646987  Size: FS
Master Electrical Component List
G105, L18, 1 of 2, All Except Ignition Coils
G104, L18, 1 of 2, All Except HO2S Circuit
Figure 3:

G105, L18, 1 of 2, All Except Ignition Coils


Object Number: 646988  Size: FS
Master Electrical Component List
G105, L18, 2 of 2, Ignition Coils
G104, L65
G105, L18, 2 of 2, Ignition Coils
Figure 4:

G105, L18, 2 of 2, Ignition Coils


Object Number: 646989  Size: FS
Master Electrical Component List
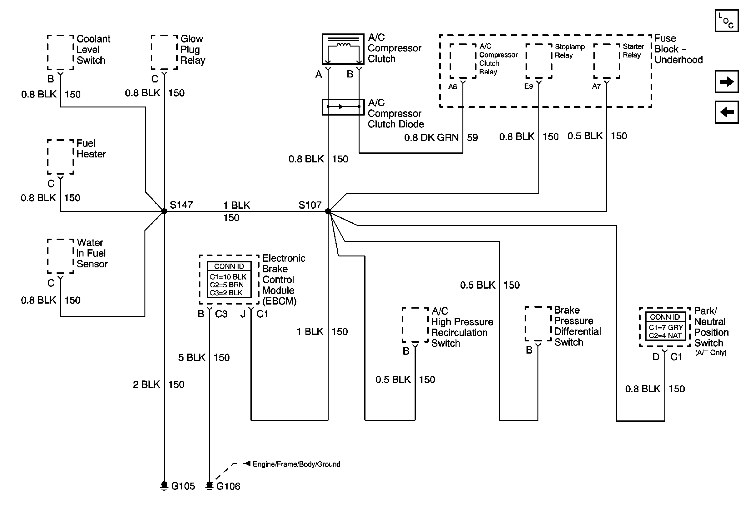
G105 and G106 (L65 Except Frame Ground)
G105, L18, 1 of 2, All Except Ignition Coils
G105, L18, 1 of 2, All Except Ignition Coils
Figure 5:

G105 and G106 (L65 Except Frame Ground)


Object Number: 646990  Size: FS
Master Electrical Component List
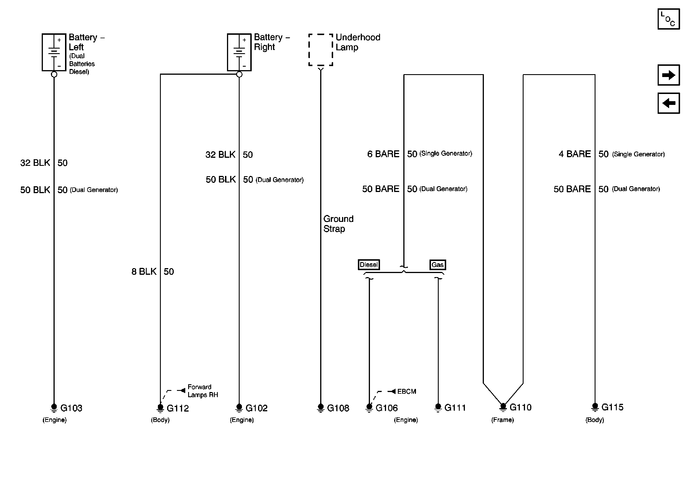
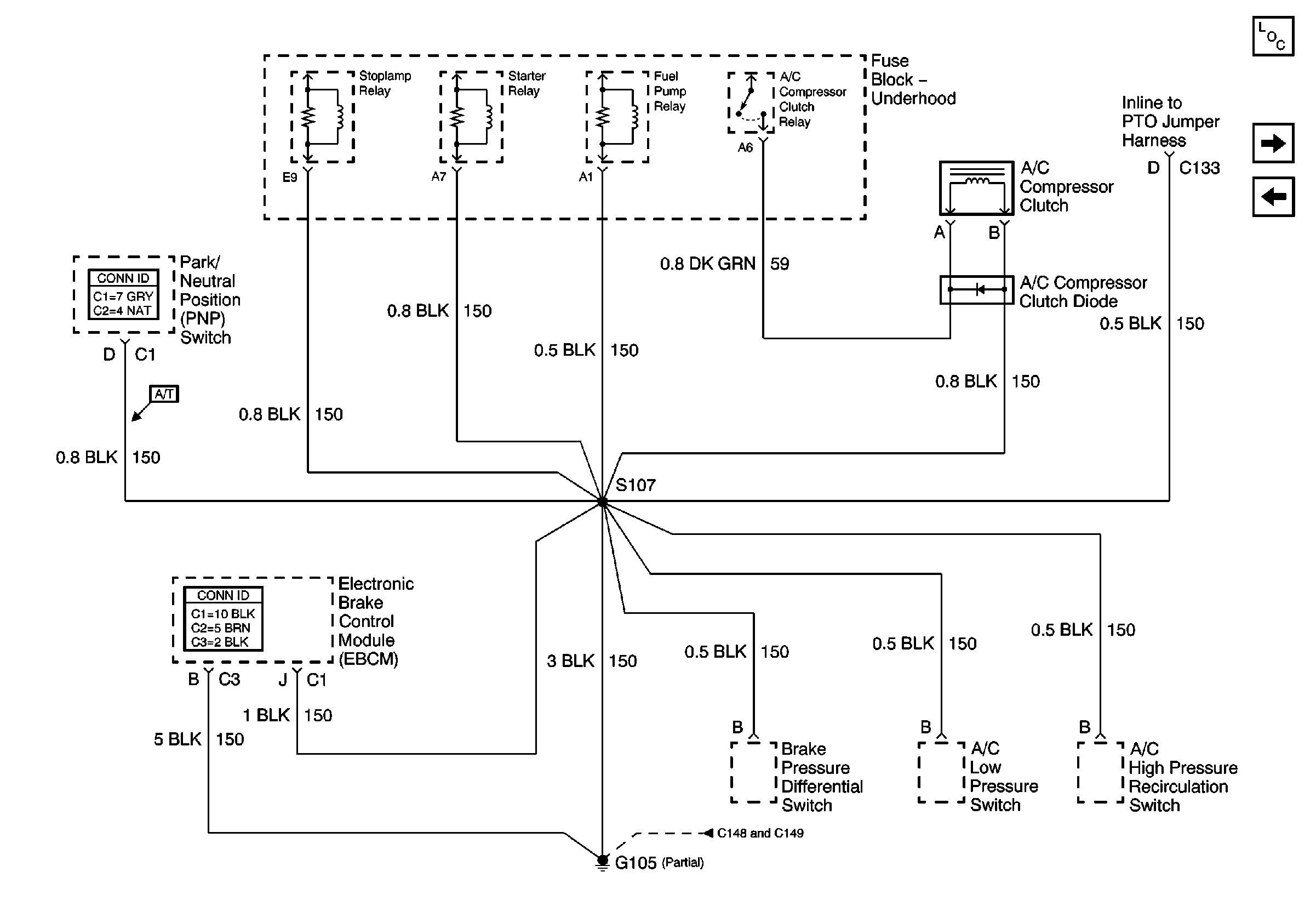
G102, G103, G106 (L65, Frame), G110, G111, G112 (Battery), and G115
G105, L18, 2 of 2, Ignition Coils
G102, G103, G106 (L65, Frame), G110, G111, G112 (Battery), and G115
Figure 6:

G102, G103, G106 (L65, Frame), G110, G111, G112 (Battery), and G115


Object Number: 646991  Size: FS
Master Electrical Component List
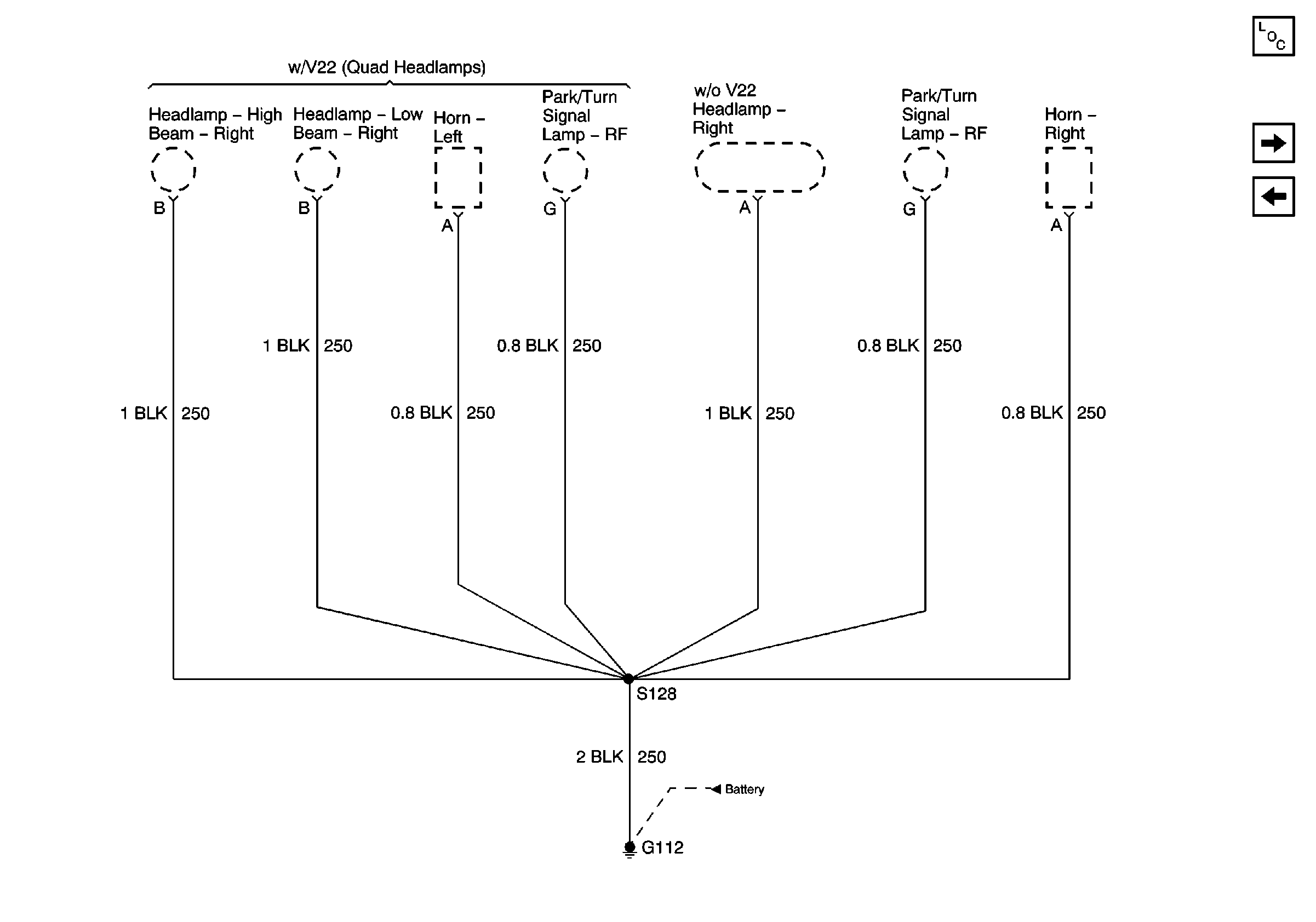
G112, Lights, Right Side
G105 and G106 (L65 Except Frame Ground)
G112, Lights, Right Side
G105 and G106 (L65 Except Frame Ground)
Figure 7:

G112, Lights, Right Side


Object Number: 646993  Size: FS
Master Electrical Component List
G113, Lights, Left Side
G102, G103, G106 (L65, Frame), G110, G111, G112 (Battery), and G115
G102, G103, G106 (L65, Frame), G110, G111, G112 (Battery), and G115
Figure 8:

G113, Lights, Left Side


Object Number: 646994  Size: FS
Master Electrical Component List
G200
G112, Lights, Right Side
L18 Charging
Figure 9:

G200


Object Number: 646995  Size: FS
Master Electrical Component List
G202
G113, Lights, Left Side
Figure 10:

G202


Object Number: 646996  Size: FS
Master Electrical Component List
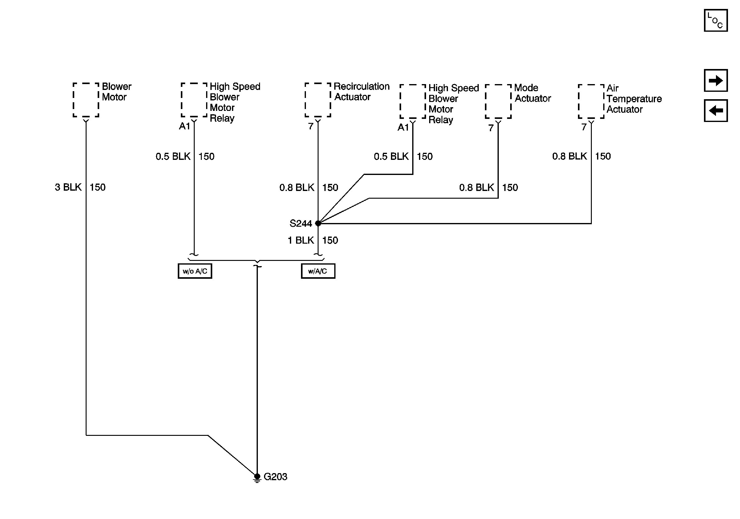
G203
G200
Figure 11:

G203


Object Number: 646997  Size: FS
Master Electrical Component List
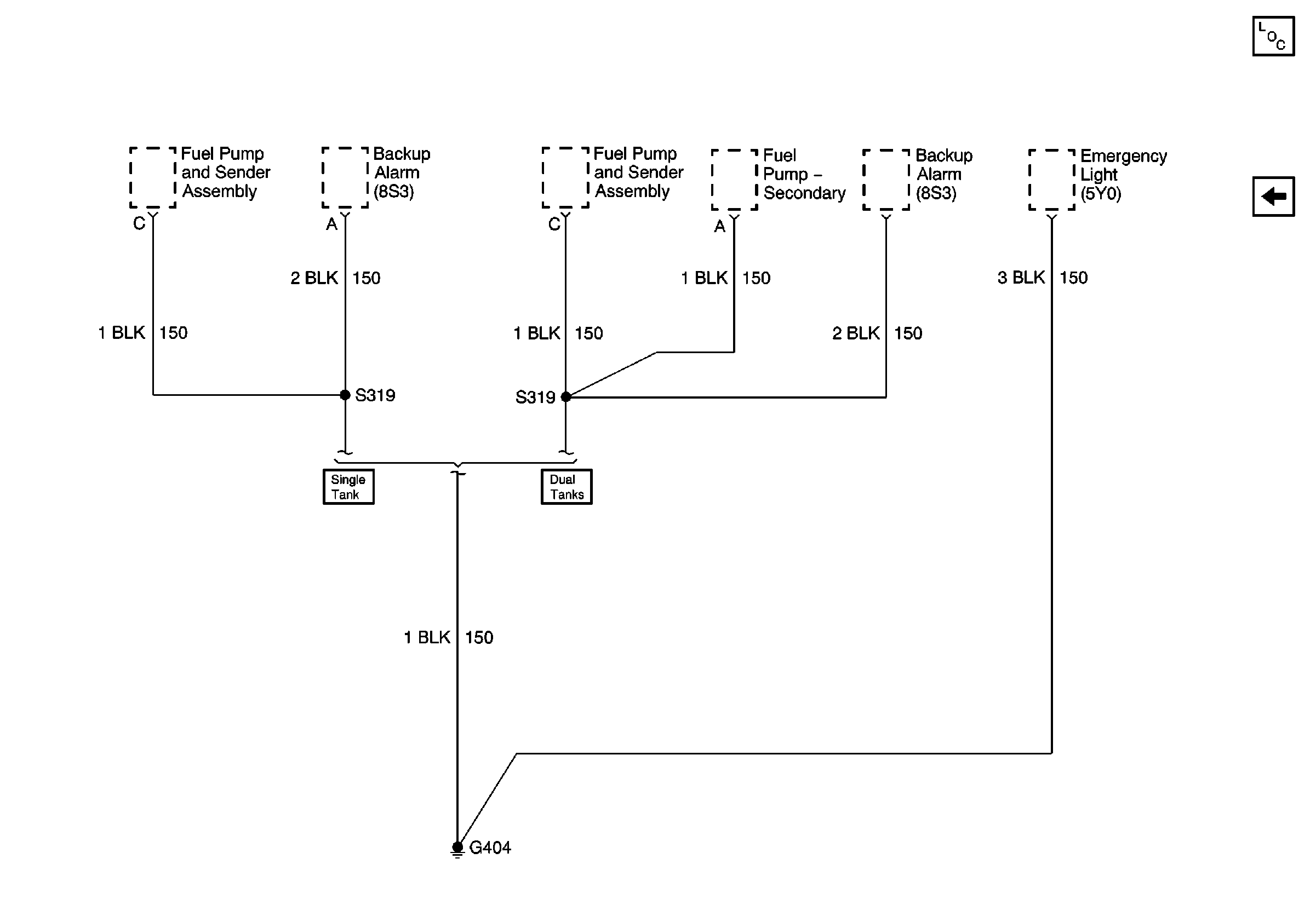
G401 (all) and G404 (L65)
G202
Figure 12:

G401 (all) and G404 (L65)


Object Number: 646998  Size: FS
Master Electrical Component List
G404 (L18)
G203
Figure 13:

G404 (L18)


Object Number: 646999  Size: FS
Master Electrical Component List
G401 (all) and G404 (L65)