GM Service Manual Online
For 1990-2009 cars only
Makes
🢒
Chevrolet
🢒
2001
🢒
Chevy C Cab/Chassis HD (GMT 400)
🢒 L18 Charging
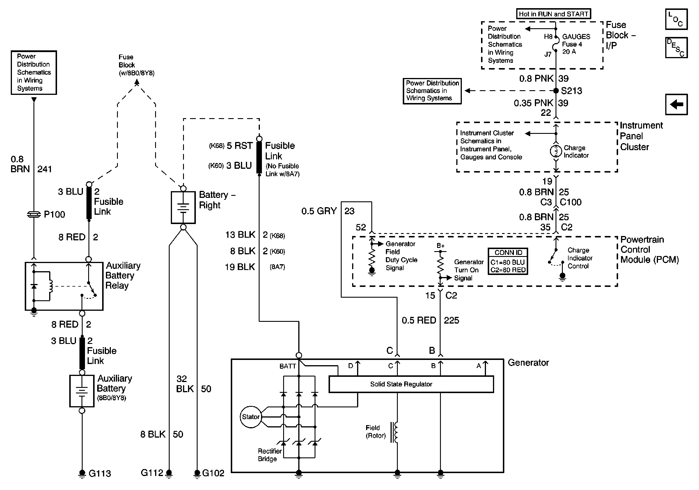
L18 Charging
L18 Charging
Brake, Cruise, SEO TP-2, and Htr-A/C Fuses
L18 Starting
Gauges Fuse and Turn-B/U Fuse
IGN A Fuse and Ignition Switch
Oil Pressure, Coolant Temperature, and Voltage Gauges, Battery and Check Gauges Indicators
Master Electrical Component List
Charging System Description and Operation
L18 Starting