GM Service Manual Online
For 1990-2009 cars only
Makes
🢒
Chevrolet
🢒
2001
🢒
Chevy C Cab/Chassis HD (GMT 400)
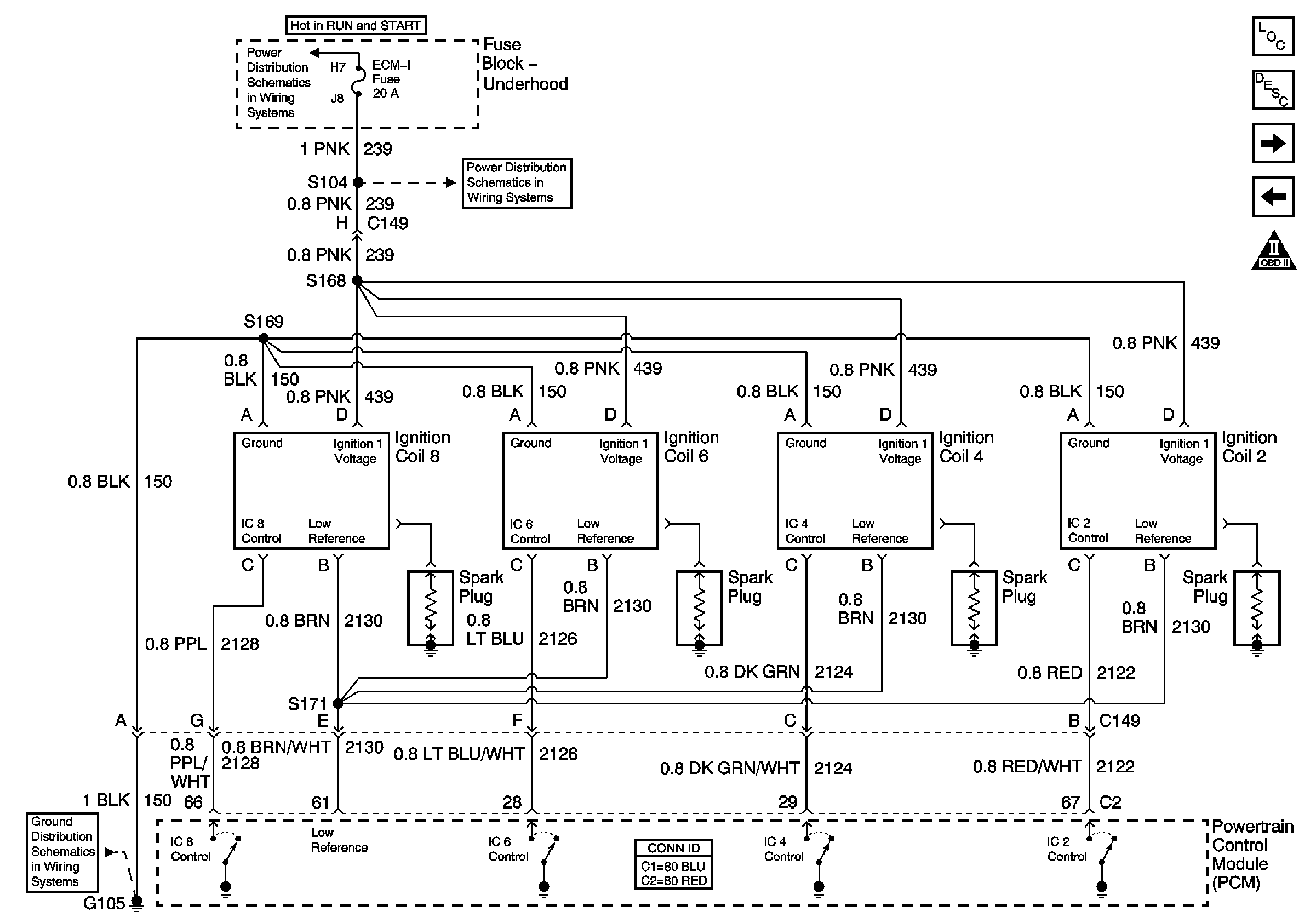
🢒 Ignition Control, Bank 2 (Right Side)
Ignition Control, Bank 2 (Right Side)
Ignition Control, Bank 2 (Right Side)
Master Electrical Component List
Electronic Ignition (EI) System Description
Fuel Pump Controls, Single Tank
Ignition Control, Bank 1 (Left Side)
OBD II Symbol Description Notice
IGN A Fuse and Ignition Switch
ECM-I Fuse, 2 of 2, Ignition Coils
G105, L18, 2 of 2, Ignition Coils