GM Service Manual Online
For 1990-2009 cars only
Makes
🢒
Chevrolet
🢒
2001
🢒
Chevy C Cab/Chassis HD (GMT 400)
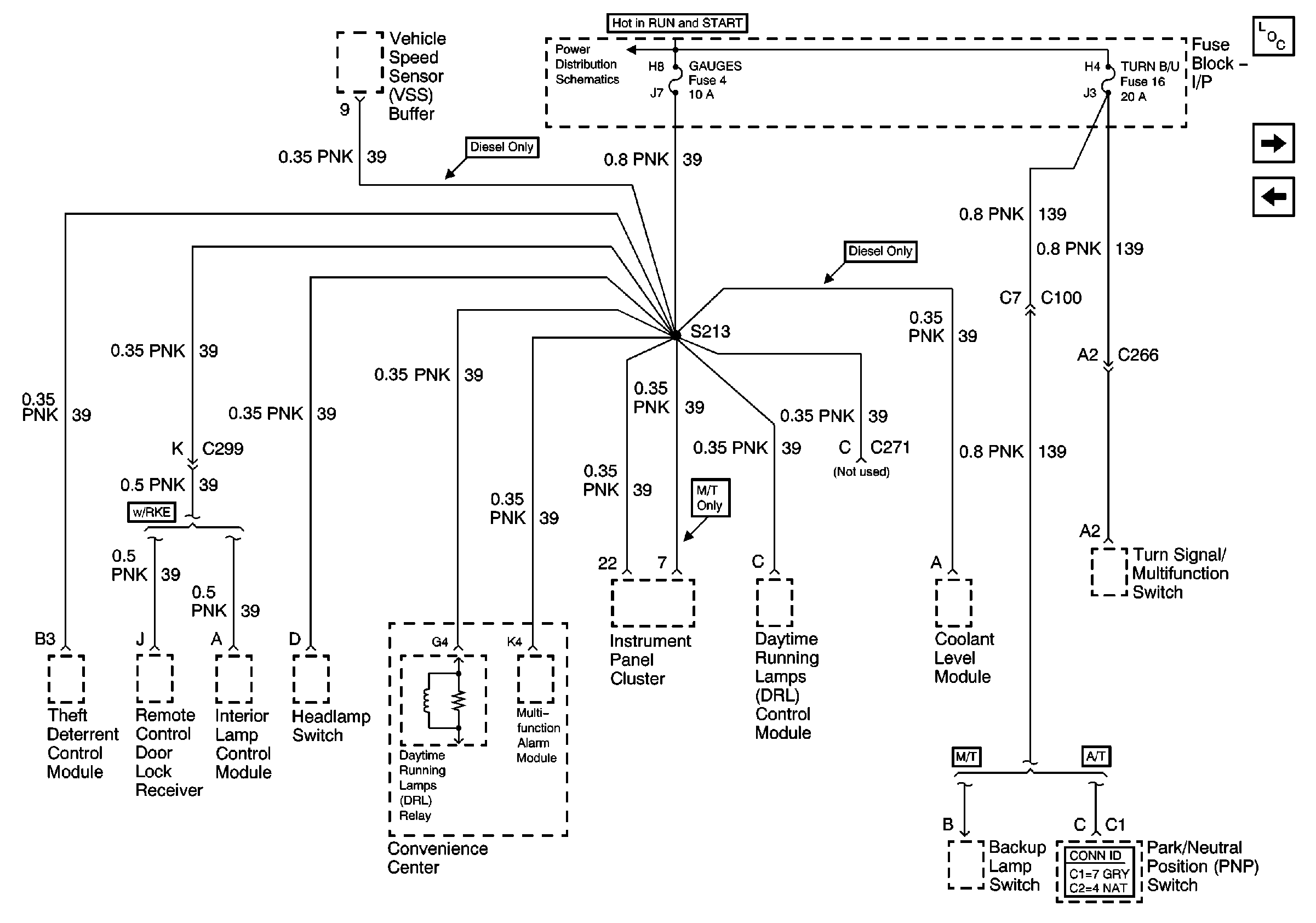
🢒 Gauges Fuse and Turn-B/U Fuse
Gauges Fuse and Turn-B/U Fuse
Gauges Fuse and Turn-B/U Fuse
IGN A Fuse and Ignition Switch
Master Electrical Component List
Pwr Wdos Circuit Breaker, Wiper, Radio, Clock, and Trans Fuses
ENG-I and ECM-I Fuses (L65)