GM Service Manual Online
For 1990-2009 cars only
Makes
🢒
Chevrolet
🢒
2001
🢒
Chevy C Cab/Chassis HD (GMT 400)
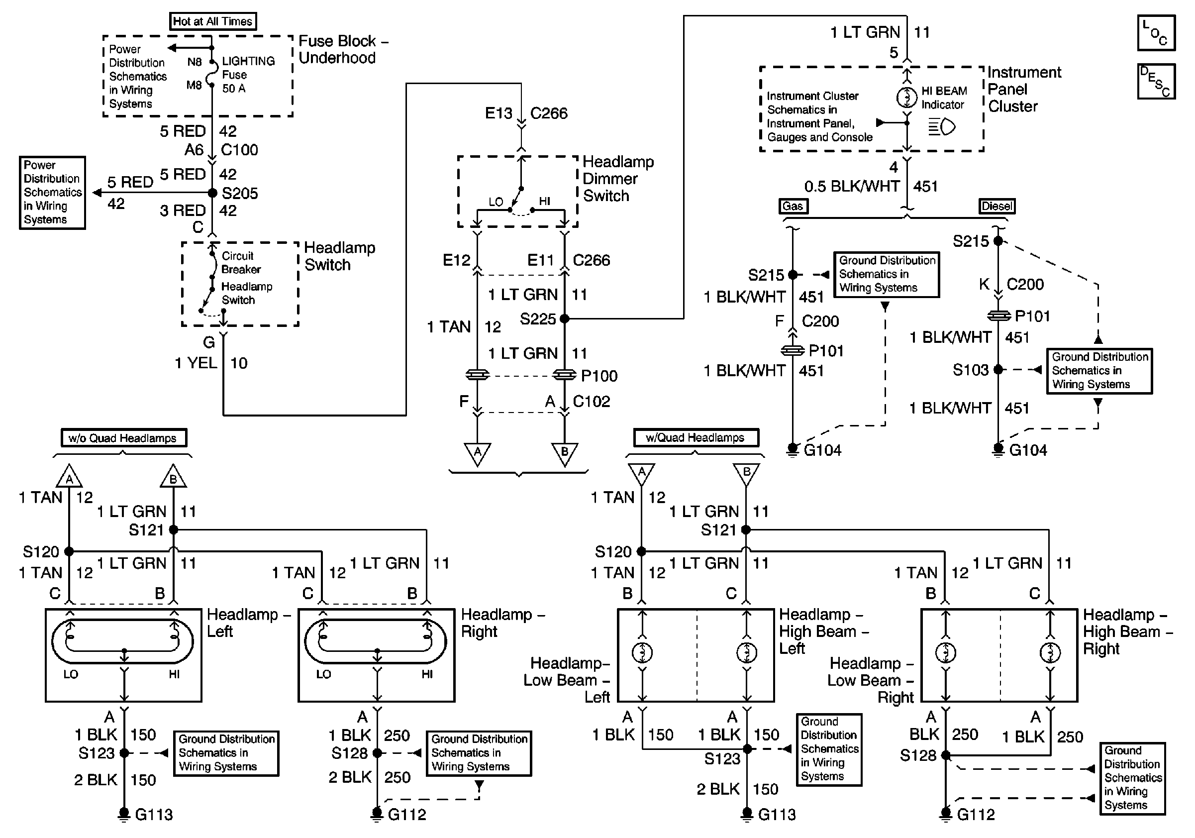
🢒 Headlamps Schematics, non-DRL
Headlamps Schematics, non-DRL
Master Electrical Component List
Exterior Lighting Systems Description and Operation
Battery and Underhood Fuse Block
Lighting and Battery Fuses
Indicators and Illumination Lamps
G104, L18, 1 of 2, All Except HO2S Circuit
G104, L65
G112, Lights, Right Side
L18 Charging
G112, Lights, Right Side
L18 Charging