GM Service Manual Online
For 1990-2009 cars only
Makes
🢒
Chevrolet
🢒
2001
🢒
Chevy C Cab/Chassis HD (GMT 400)
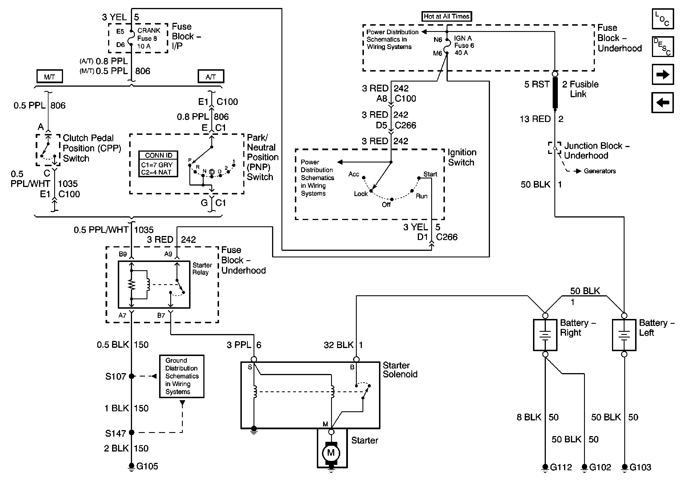
🢒 L65 Starting (Dual Generators)
L65 Starting (Dual Generators)
L65 Starting (Dual Generators)
IGN A Fuse and Ignition Switch
Battery and Underhood Fuse Block
L65 Charging (Dual Generators)
Master Electrical Component List
Starting System Description and Operation
L65 Charging (Single Generator)
L65 Starting (Single Generator)
G105 and G106 (L65 Except Frame Ground)