GM Service Manual Online
For 1990-2009 cars only
Makes
🢒
Chevrolet
🢒
2002
🢒
Chevy C Cab/Chassis HD (GMT 400)
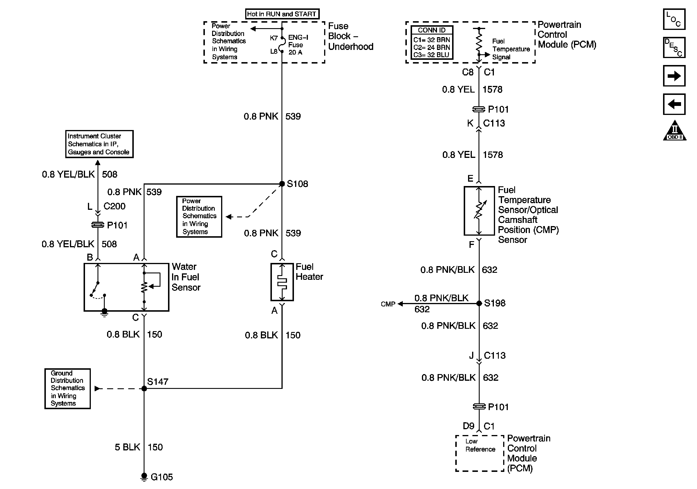
🢒 L65 Fuel Heater, Water-in-Fuel Sensor, and Fuel Temperature Sensor
L65 Fuel Heater, Water-in-Fuel Sensor, and Fuel Temperature Sensor
Water-in-Fuel Sensor, Fuel Heater, and Fuel Temperature Sensor
Master Electrical Component List
L65 Fuel Solenoid Driver and Engine Shut Off Solenoid
L65 Fuel Pump Controls - Dual Tanks
OBD II Symbol Description Notice
IGN A Fuse and Ignition Switch
IP Illumination Lamps and Indicator Lamps
ENG-I and ECM-I Fuses (Diesel)
G105 and G106 (L65)
L65 CKP and Injection Timing Stepper Motor