GM Service Manual Online
For 1990-2009 cars only
Makes
🢒
Chevrolet
🢒
2002
🢒
Chevy C Cab/Chassis HD (GMT 400)
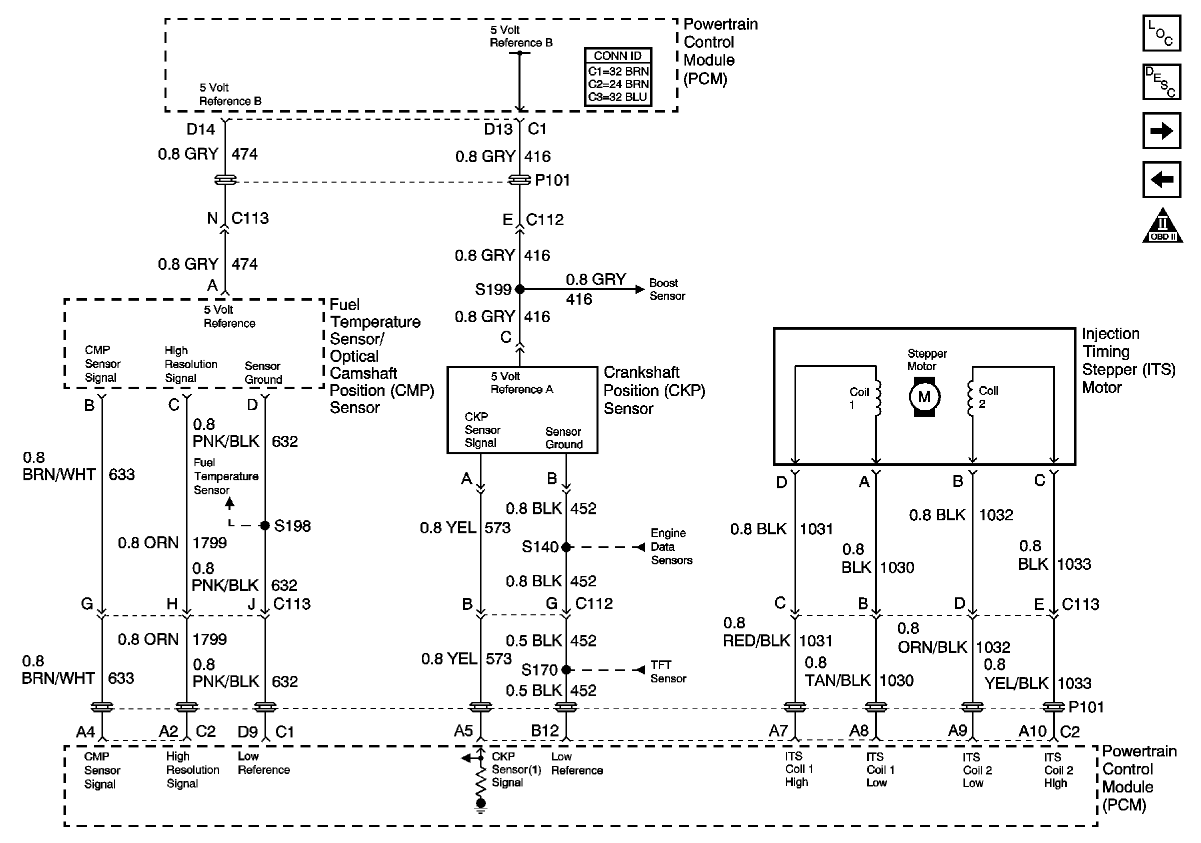
🢒 L65 CKP and Injection Timing Stepper Motor
L65 CKP and Injection Timing Stepper Motor
CMP, CKP and Injection Timing Stepper Motor
Master Electrical Component List
Fuel System Description
L65 Glowplug Control Circuit
L65 Vehicle Speed Sensor Circuit
OBD II Symbol Description Notice
L65 Wastegate Solenoid, Boost Sensor, IAT Sensor, and ECT Sensor
L65 Wastegate Solenoid, Boost Sensor, IAT Sensor, and ECT Sensor
L65 A/T Internal Switches, TFT, PC Solenoid Valve
L65 Fuel Heater, Water-in-Fuel Sensor, and Fuel Temperature Sensor