GM Service Manual Online
For 1990-2009 cars only
Figure 1:

L18 Battery Configurations


Object Number: 681871  Size: FS
Master Electrical Component List
L65 Battery Configurations
G102, G103, G106 (L65), G110, G111, G112 (Battery), and G115
Battery and Underhood Fuse Block
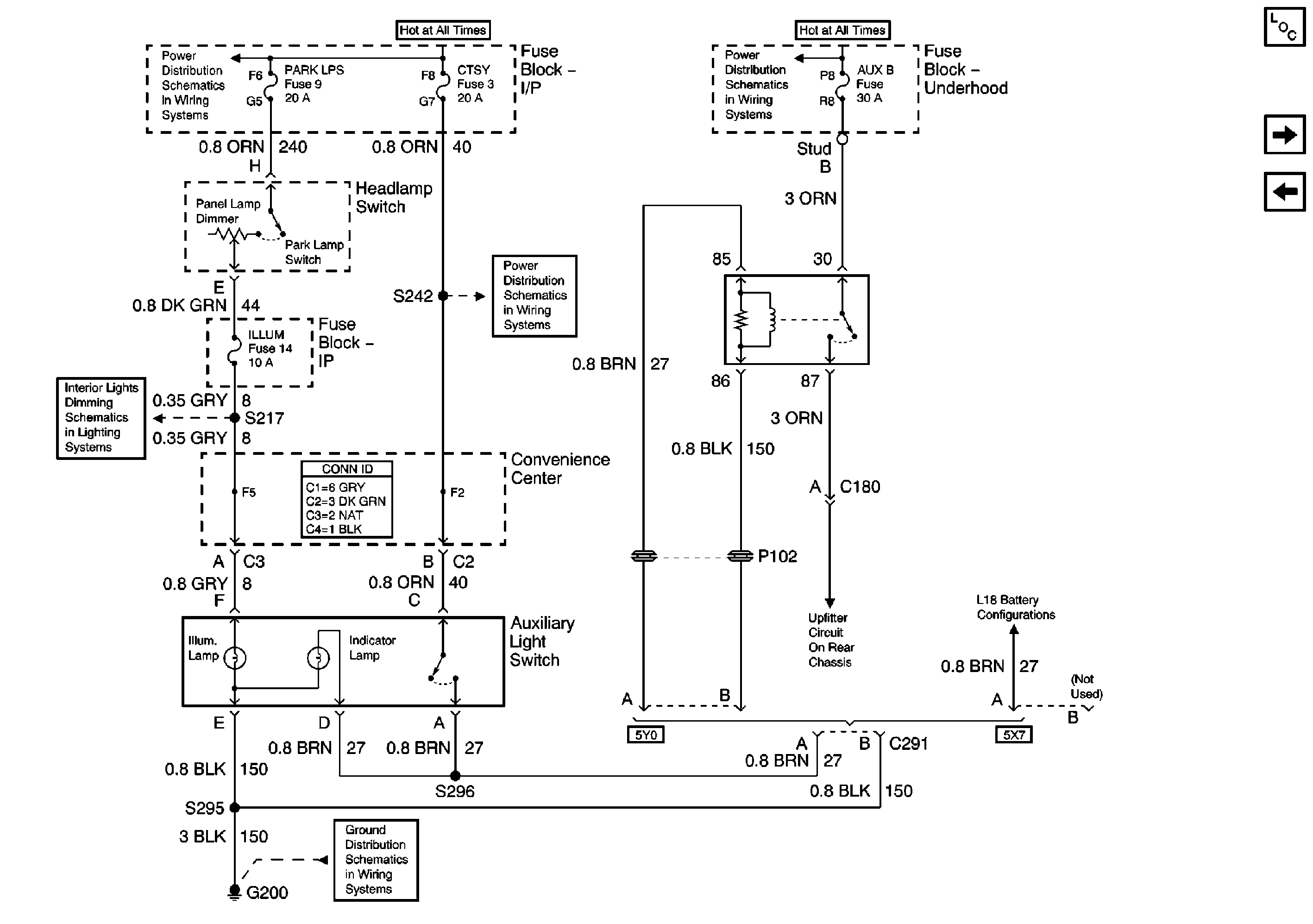
Auxiliary Light Switch - 5Y0 and 5X7
Brake, Cruise, SEO TP-2, and Htr-A/C Fuses
Auxiliary Power Supply - 9L4
G112 (Lights, Right Side)
Figure 2:

Roof Lamp Wiring -- 5G4


Object Number: 681874  Size: FS
Master Electrical Component List
Auxiliary Light Switch - 5Y0 and 5X7
L65 Battery Configurations
Lighting and Battery Fuses
DRL-Fog, Security, and CTSY Fuses
Battery and Underhood Fuse Block
G200
Instrument Lamps Dimming Circuit
Figure 3:

Auxiliary Light Switch -- 5Y0 and 5X7


Object Number: 1442419  Size: FS
Master Electrical Component List
Auxiliary Power Supply - 9L4
Roof Lamp Wiring - 5G4
Lighting and Battery Fuses
DRL-Fog, Security, and CTSY Fuses
Battery and Underhood Fuse Block
Roof Lamp Wiring - 5G4
G200
Interior Dimming Schematics
Figure 4:

Auxiliary Power Supply -- 9L4


Object Number: 1442422  Size: FS
Master Electrical Component List
ABS, Blower, Stop-Haz, and IGN B Fuses, and Igntion Switch