GM Service Manual Online
For 1990-2009 cars only
Makes
🢒
Chevrolet
🢒
1996
🢒
Chevy C Pickup - 2WD
🢒 Fuel Pump System
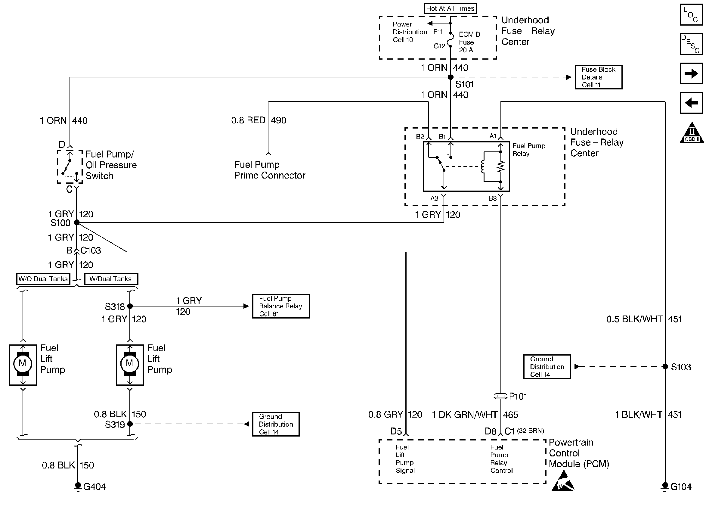
Fuel Pump System
Fuel Pump System
Handling ESD Sensitive Parts Notice
Engine Controls Components
Information Sensors
Water in Fuel, Fuel Heater and Fuel Solenoid Driver
Glow Plug System
OBD II Symbol Description Notice