GM Service Manual Online
For 1990-2009 cars only
Makes
🢒
Chevrolet
🢒
1996
🢒
Chevy C Pickup - 2WD
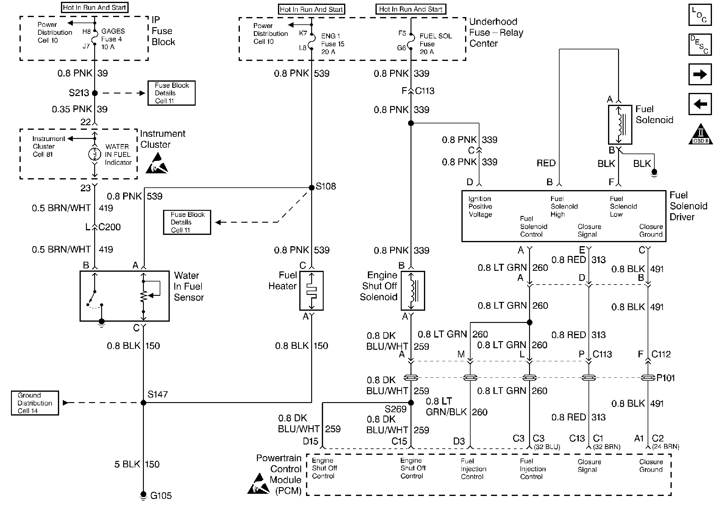
🢒 Water in Fuel, Fuel Heater and Fuel Solenoid Driver
Water in Fuel, Fuel Heater and Fuel Solenoid Driver
Handling ESD Sensitive Parts Notice
Handling ESD Sensitive Parts Notice
Engine Controls Components
Information Sensors
Fuel Pump System
Power Feeds and Ground
OBD II Symbol Description Notice