GM Service Manual Online
For 1990-2009 cars only
Makes
🢒
Chevrolet
🢒
1997
🢒
Chevy C Pickup - 2WD
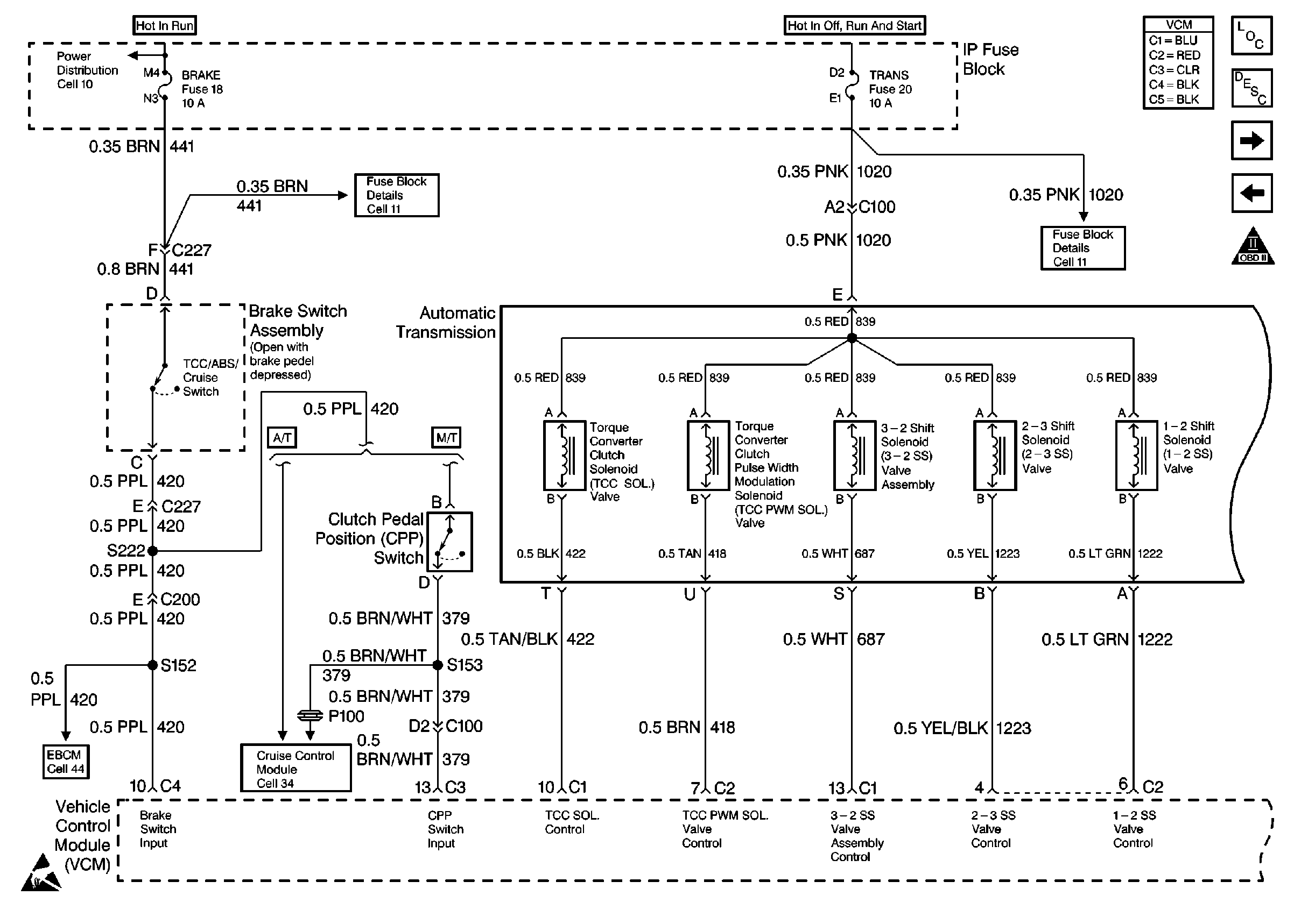
🢒 4.3L W/ 4L60E, BRAKE SWITCH
4.3L W/ 4L60E, BRAKE SWITCH
4.3L W/ 4L60E, BRAKE SWITCH
Engine Controls Components
4.3L VCM, A/C SYSTEM
4.3L W/4L60E
OBD II Symbol Description Notice
Engine Controls Schematic References
Engine Controls Schematic References
Engine Controls Schematic References
Engine Controls Schematic References
Handling Electrostatic Discharge Sensitive Parts Notice
Engine Controls Schematic References