GM Service Manual Online
For 1990-2009 cars only
Makes
🢒
Chevrolet
🢒
1998
🢒
Chevy C Pickup - 2WD
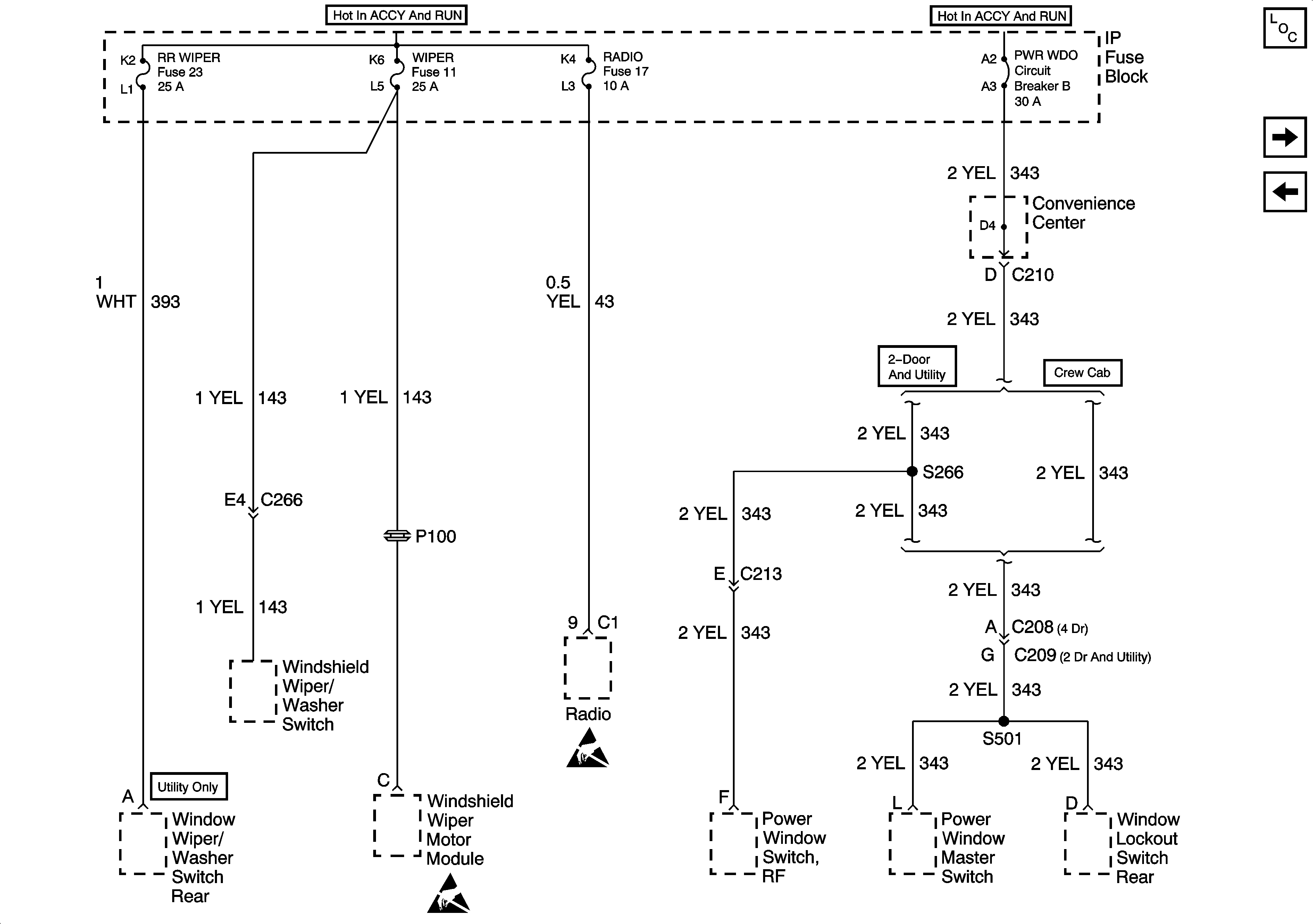
🢒 Cell 11: RR WIPER, WIPER, RADIO Fuses and PWR WDO Circuit Breaker
Cell 11: RR WIPER, WIPER, RADIO Fuses and PWR WDO Circuit Breaker
Cell 11: RR WIPER, WIPER, RADIO Fuses and PWR WDO Circuit Breaker
Power and Grounding Components
Cell 11: RR HVAC Fuse
Cell 11: GAUGES Fuse
Handling Electrostatic Discharge Sensitive Parts Notice
Handling Electrostatic Discharge Sensitive Parts Notice