GM Service Manual Online
For 1990-2009 cars only
Makes
🢒
Chevrolet
🢒
1998
🢒
Chevy C Pickup - 2WD
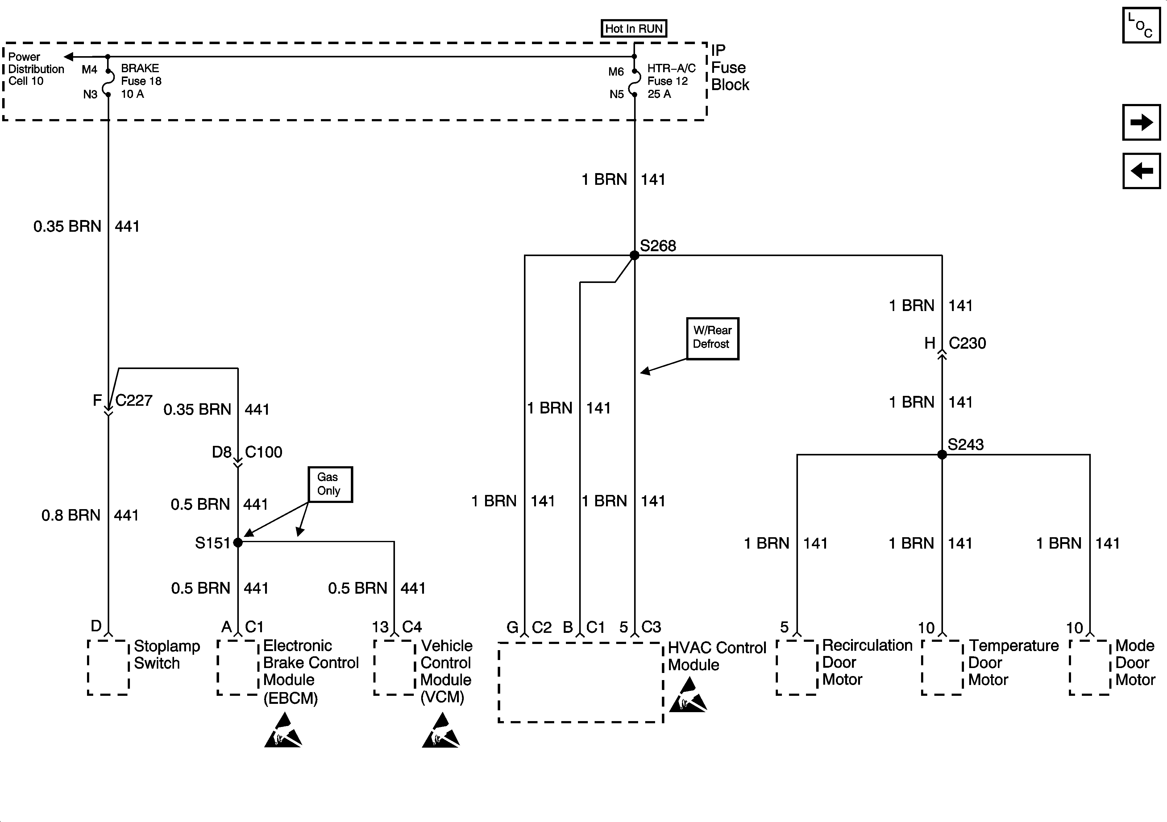
🢒 Cell 11: BRAKE and HTR-A/C Fuses
Cell 11: BRAKE and HTR-A/C Fuses
Cell 11: BRAKE and HTR-A/C Fuses
Power and Grounding Components
Cell 11: ILLUM Fuse
Cell 11: CRUISE and 4WD Fuses
Cell 10: Ignition Switch and WIPER Fuse
Handling Electrostatic Discharge Sensitive Parts Notice
Handling Electrostatic Discharge Sensitive Parts Notice
Handling Electrostatic Discharge Sensitive Parts Notice