GM Service Manual Online
For 1990-2009 cars only

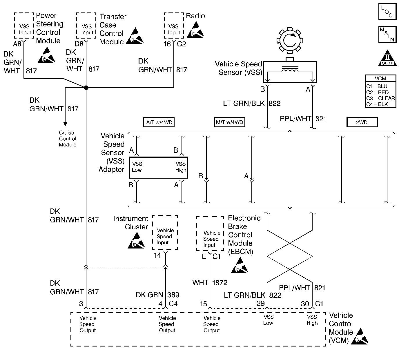
Object Number: 190382  Size: LF
VSS (4wd) - Comp Loc Figure
Cruise Control and VSS Controls
OBD II Symbol Description Notice
Handling ESD Sensitive Parts Notice
Handling ESD Sensitive Parts Notice
Handling ESD Sensitive Parts Notice
Handling ESD Sensitive Parts Notice
Handling ESD Sensitive Parts Notice
Handling ESD Sensitive Parts Notice

Circuit Description

The vehicle speed sensor (VSS) is a magnetic induction sensor. The VSS is mounted close to the output shaft gear in the transmission. The gear teeth induce an alternating current in the sensor as the output shaft rotates. This frequency is applied to the control module at the rate of 40 cycles per output shaft revolution. The control module calculates the vehicle speed using this AC voltage signal.

If the VSS signal is not detected at any vehicle speed for 5 seconds, this diagnostic trouble code (DTC) will set.

Conditions for Running the DTC

    • No active MAP sensor DTCs
    • The MAP is less than 20 kPa
    • The ECT is 60°C (140° F) or more
    • The engine speed is between 1400-4400 RPM
    • The throttle position is less than 3 percent

Conditions for Setting the DTC

The VCM detects a vehicle speed less than 1 mph for 5 seconds or more during decel.

Action Taken When the DTC Sets

    • The control module illuminates the malfunction indicator lamp (MIL) the first time the diagnostic runs and fails.
    • The control module will set the DTC and records the operating conditions at the time the diagnostic fails. The control module stores the failure information in the scan tools Freeze Frame/Failure Records.

Conditions for Clearing the MIL or DTC

    • The control module turns OFF the MIL after 3 consecutive drive trips when the test has run and passed.
    • A history DTC will clear if no fault conditions have been detected for 40 warm-up cycles. A warm-up cycle occurs when the coolant temperature has risen 22°C (40°F) from the startup coolant temperature and the engine coolant reaches a temperature that is more than 70°C (158°F) during the same ignition cycle.
    • Use a scan tool in order to clear the DTCs.

Diagnostic Aids

Thoroughly check any circuitry that is suspected of causing the intermittent complaint.

An intermittent may be caused by any of the following conditions:

    • A poor connection
    • Rubbed through wire insulation
    • A broken wire inside the insulation

Thoroughly check any circuitry that is suspected of causing the intermittent complaint. Refer to Intermittents and Poor Connections Diagnosis in Wiring Systems.

If a repair is necessary, refer to Wiring Repairs or Connector Repairs in Wiring Systems.

Test Description

The numbers below refer to the step numbers in the diagnostic table.

  1. This test checks the AC voltage output of the vehicle speed sensor.

  2. This test checks for an internal transmission problem.

Step

Action

Value(s)

Yes

No

1

Important: Before clearing the DTCs, use the scan tool Capture Info to save the Freeze Frame and Failure Records for reference. The control module's data is deleted once the Clear Info function is used.

Did you perform the Powertrain On-Board Diagnostic (OBD) System Check?

--

Go to Step 2

Go to Powertrain On Board Diagnostic (OBD) System Check

2

  1. Disconnect the vehicle speed sensor connector.
  2. Install a J 39200 DMM set on the AC scale between terminals A and B of the vehicle speed sensor.
  3. Raise the wheels of the vehicle. Refer to Lifting and Jacking the Vehicle in General Information.
  4. Operate the engine at idle with the transmission in gear making sure the driveshaft is rotating.

Is the voltage above the specified value?

0.5 V

Go to Step 3

Go to Step 6

3

Check for an open in the vehicle speed sensor high circuit between the sensor and the VCM.

Did you find a problem?

--

Go to Step 11

Go to Step 4

4

Check for an open in the vehicle speed sensor low circuit between the sensor and the VCM.

Did you find a problem?

--

Go to Step 11

Go to Step 5

5

Check for a short to ground in the VSS high circuit between the sensor and the VCM.

Did you find a problem?

--

Go to Step 11

Go to Step 9

6

  1. Remove the vehicle speed sensor.
  2. Inspect the vehicle speed sensor rotor for damage or misalignment.

Did you find a problem?

--

Go to Step 8

Go to Step 7

7

Replace the vehicle speed sensor. Refer to Vehicle Speed Sensor in Manual Transmission, or Vehicle Speed Sensor Replacement for 4L60E, or Vehicle Speed Sensor Replacement for 4L80E in Automatic Transmission.

Is the action complete?

--

Go to Step 13

--

8

Repair or replace the vehicle speed sensor rotor as necessary. Refer to Internal Transmission Speed Sensor Rotor Replacement for 4L60E, or Center Support and Gear Unit Assembly Disassemble for 4L80E in Transmission Unit Repair, or Transmission Disassemble (NV3500) , Transmission Disassemble (Four Wheel Drive) , or Transmission Disassemble (NV4500) .

Is the action complete?

--

Go to Step 13

--

9

Check for a poor connection at the vehicle speed sensor.

Did you find a problem?

--

Go to Step 11

Go to Step 10

10

Check for a poor connection at the VCM harness connector.

Did you find a problem?

--

Go to Step 11

Go to Step 12

11

Important:: Special procedures are required to repair the twisted/shielded cable contained in this circuit.

Repair the circuit as necessary. Refer to Wiring Repairs or Connector Repairs in Wiring Systems.

Is the action complete?

--

Go to Step 13

--

12

  1. Replace the VCM.
  2. Program the new VCM. Refer to VCM Replacement/Programming .
  3. Perform the VTD Password Learn Procedure. Refer to Password Learn .
  4. Perform the CKP System Variation Learn Procedure. Refer to Crankshaft Position System Variation Learn .

Is the action complete?

--

Go to Step 13

--

13

  1. Using the scan tool, clear the DTCs.
  2. Start the engine.
  3. Allow the engine to idle until the engine reaches normal operating temperature.
  4. Select DTC and the Specific DTC function.
  5. Enter the DTC number that was set.
  6. Operate the vehicle, within the Condition for Setting this DTC, until the scan tool indicates the diagnostic Ran.

Does the scan tool indicate that the diagnostic Passed?

--

Go to Step 14

Go to Step 2

14

Does the scan tool display any additional undiagnosed DTCs?

--

Go to the applicable DTC table

System OK