GM Service Manual Online
For 1990-2009 cars only

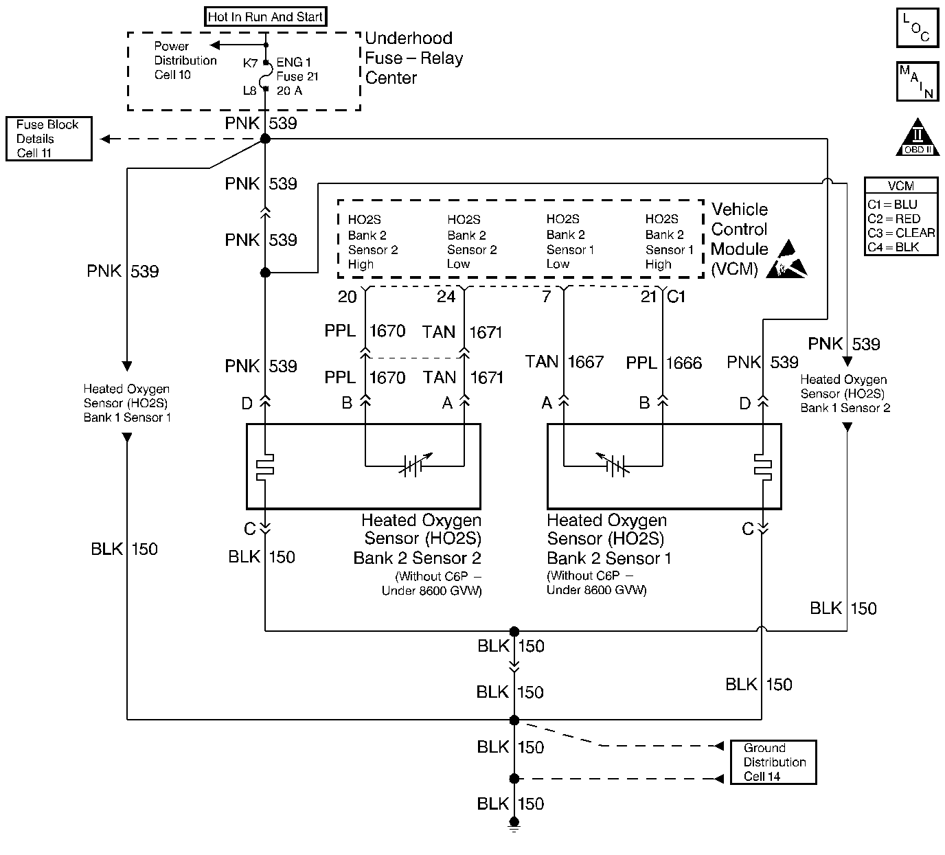
DTC P0430 Catalyst System Low Efficiency Bank 2 Under 8600 GVW without C6P


Object Number: 326068  Size: LF
HO2S (5.7L) - Comp Loc Figure
HO2S Controls
OBD II Symbol Description Notice
Handling ESD Sensitive Parts Notice

Circuit Description

This diagnostic test is designed in order to measure the efficiency of the three-way catalytic converter (TWC) system. Catalytic convertor efficiency is a measure of its ability to store oxygen after converting the levels of hydrocarbon (HC), carbon monoxide (CO), and oxides of nitrogen (NOx) to less harmful gases. The control module is able to evaluate the catalyst efficiency once the vehicle has met the enable criteria and the vehicle is at idle instead of the steady cruise speeds used in the past.

Once the conditions for running this diagnostic trouble code (DTC) are met, the control module commands either a lean or rich air/fuel ratio depending on the current state of the exhaust oxygen level. The control module issues a rich command if the exhaust is currently lean, or a lean command if the exhaust is currently rich. After completion of the first command, a second and opposite command is issued.

For example, if the control module were to command a rich mixture, the upstream heated oxygen sensor (HO2S) voltage would increase immediately. The rich mixture is delayed in reaching the downstream HO2S due to the conversion process occurring within the converter. The higher the efficiency, the more the delay before the rich or lean mixture is detected by the downstream oxygen (O2) sensor. As a result of the lower conversion efficiency within a damaged or poisoned catalyst, the delay in the rich or lean mixture reaching the downstream O2 sensor is significantly shorter. This DTC monitors the amount of time required for both the upstream and downstream HO2S voltages to cross a calibrated voltage threshold in response to the rich or lean command.

Conditions for Running the DTC

    • No active secondary AIR DTCs
    • No active CMP sensor DTCs
    • No active ECT sensor DTCs
    • No active EGR DTCs
    • No active fuel trim DTCs
    • No active IAC DTCs
    • No active IAT sensor DTCs
    • No active MAF sensor DTCs
    • No active MAP sensor DTCs
    • No active O2 sensor DTCs
    • No active transmission DTCs
    • No active EVAP system DTCs
    • No active TP sensor DTCs
    • No active VS sensor DTCs
    • No active misfire DTCs
    • The engine speed is 1,000 RPM or more for more than 40 seconds since last idle period
    • The engine has been running for at least 360 seconds and the long term fuel trim is stable
    • The predicted catalyst temperature is at least 390°C (734°F)
    • The system is in closed loop
    • The BARO is 73 kPa or more
    • The IAT is between -7-117°C (20°-167° F)
    • The ECT is between 75-117°C (167-243° F)
    • The engine has been idling for less than 120 seconds
    • The actual engine speed is within 100 RPM of the desired idle speed

Conditions for Setting the DTC

The VCM determines that the oxygen storage capacity of the catalyst has degraded below a calibrated threshold

Action Taken When the DTC Sets

    • The control module illuminates the malfunction indicator lamp (MIL) the first time the diagnostic runs and fails.
    • The control module will set the DTC and records the operating conditions at the time the diagnostic fails. The control module stores the failure information in the scan tools Freeze Frame/Failure Records.

Conditions for Clearing the MIL or DTC

    • The control module turns OFF the MIL after 3 consecutive drive trips when the test has run and passed.
    • A history DTC will clear if no fault conditions have been detected for 40 warm-up cycles. A warm-up cycle occurs when the coolant temperature has risen 22°C (40°F) from the startup coolant temperature and the engine coolant reaches a temperature that is more than 70°C (158°F) during the same ignition cycle.
    • Use a scan tool in order to clear the DTCs.

Diagnostic Aids

The use of fuel with high sulphur or lead content can degrade a marginal converter's performance. Be sure to check the fuel quality.

An intermittent may be caused by any of the following conditions:

    • A poor connection
    • Rubbed through wire insulation
    • A broken wire inside the insulation

Thoroughly check any circuitry that is suspected of causing the intermittent complaint. Refer to Intermittents and Poor Connections Diagnosis in Wiring Systems.

If a repair is necessary, refer to Wiring Repairs or Connector Repairs in Wiring Systems.

Test Description

The numbers below refer to the step numbers in the diagnostic table.

  1. This table checks for conditions that can cause the three-way catalytic converter efficiency to appear degraded. Inspect and repair exhaust system as necessary. Refer to Exhaust System Inspection

  2. Before the three-way catalytic converter is replaced, make sure that the following conditions are not present:

  3. • Misfire
    • High engine oil consumption or coolant consumption
    • Retarded spark timing or weak spark

Step

Action

Value(s)

Yes

No

1

Important: Before clearing the DTCs, use the scan tool Capture Info to save the Freeze Frame and Failure Records for reference. The control module's data is deleted once the Clear Info function is used.

Did you perform the Powertrain On-Board Diagnostic (OBD) System Check?

--

Go to Step 2

Go to Powertrain On Board Diagnostic (OBD) System Check

2

Are any other DTCs set?

--

Go to the applicable DTC table

Go to Step 3

3

  1. Check exhaust system for the following:
  2. • Leaks
    • Loose or missing hardware
  3. Repair as necessary. Refer to Exhaust System Inspection in Engine Exhaust.

Did you find a problem?

--

Go to Step 5

Go to Step 4

4

  1. Verify that the correct original equipment three-way catalytic converter is installed.
  2. Check the converter for the following:
  3. • Dents
    • Severe discoloration
    • Holes
  4. Ensure that the oxygen sensors are properly installed and that the wiring connections are properly retained and not damaged.
  5. Repair as necessary. Refer to Exhaust System Inspection .

Did you find a problem?

--

Go to Step 5

Go to Step 6

5

  1. Using the scan tool, clear the DTCs.
  2. Start the engine.
  3. Allow the engine to idle until the engine reaches normal operating temperature.
  4. Select DTC and the Specific DTC function.
  5. Enter the DTC number that was set.
  6. Operate the vehicle, within the Conditions for Setting this DTC, until the Scan Tool indicates the diagnostic Ran.

Does the Scan tool indicate the diagnostic Passed?

--

System OK

Go to Step 6

6

Notice: In order to avoid damaging the replacement three-way catalytic converter, correct the engine misfire or mechanical fault before replacing the three-way catalytic converter.

Replace the catalytic converter. Refer to Catalytic Converter Replacement in Engine Exhaust.

Is the action complete?

--

System OK

--

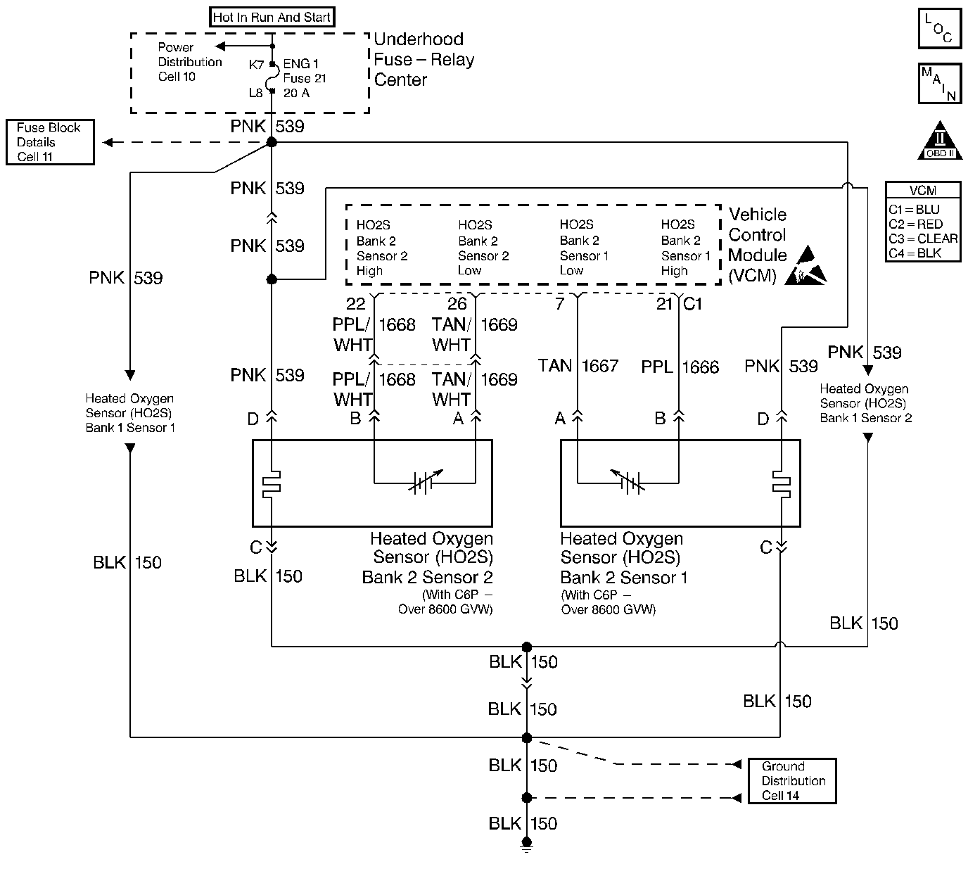
DTC P0430 Catalyst System Low Efficiency Bank 2 Over 8600 GVW C6P


Object Number: 326087  Size: LF
HO2S (5.7L) - Comp Loc Figure
HO2S Controls
OBD II Symbol Description Notice
Handling ESD Sensitive Parts Notice

Circuit Description

This diagnostic test is designed in order to measure the efficiency of the three-way catalytic converter (TWC) system. Catalytic convertor efficiency is a measure of its ability to store oxygen after converting the levels of hydrocarbon (HC), carbon monoxide (CO), and oxides of nitrogen (NOx) to less harmful gases. The control module is able to evaluate the catalyst efficiency once the vehicle has met the enable criteria and the vehicle is at idle instead of the steady cruise speeds used in the past.

Once the conditions for running this diagnostic trouble code (DTC) are met, the control module commands either a lean or rich air/fuel ratio depending on the current state of the exhaust oxygen level. The control module issues a rich command if the exhaust is currently lean, or a lean command if the exhaust is currently rich. After completion of the first command, a second and opposite command is issued.

For example, if the control module were to command a rich mixture, the upstream heated oxygen sensor (HO2S) voltage would increase immediately. The rich mixture is delayed in reaching the downstream HO2S due to the conversion process occurring within the converter. The higher the efficiency, the more the delay before the rich or lean mixture is detected by the downstream oxygen (O2) sensor. As a result of the lower conversion efficiency within a damaged or poisoned catalyst, the delay in the rich or lean mixture reaching the downstream O2 sensor is significantly shorter. This DTC monitors the amount of time required for both the upstream and downstream HO2S voltages to cross a calibrated voltage threshold in response to the rich or lean command.

Conditions for Running the DTC

    • No active secondary AIR DTCs
    • No active CMP sensor DTCs
    • No active ECT sensor DTCs
    • No active EGR DTCs
    • No active fuel trim DTCs
    • No active IAC DTCs
    • No active IAT sensor DTCs
    • No active MAF sensor DTCs
    • No active MAP sensor DTCs
    • No active O2 sensor DTCs
    • No active transmission DTCs
    • No active EVAP system DTCs
    • No active TP sensor DTCs
    • No active VS sensor DTCs
    • No active misfire DTCs
    • The engine speed is 1,000 RPM or more for more than 40 seconds since last idle period
    • The engine has been running for at least 360 seconds and the long term fuel trim is stable
    • The predicted catalyst temperature is at least 390°C (734°F)
    • The system is in closed loop
    • The BARO is 73 kPa or more
    • The IAT is between -7-117°C (20°-167° F)
    • The ECT is between 75-117°C (167-243° F)
    • The engine has been idling for less than 120 seconds
    • The actual engine speed is within 100 RPM of the desired idle speed

Conditions for Setting the DTC

The VCM determines that the oxygen storage capacity of the catalyst has degraded below a calibrated threshold

Action Taken When the DTC Sets

    • The control module illuminates the malfunction indicator lamp (MIL) the first time the diagnostic runs and fails.
    • The control module will set the DTC and records the operating conditions at the time the diagnostic fails. The control module stores the failure information in the scan tools Freeze Frame/Failure Records.

Conditions for Clearing the MIL or DTC

    • The control module turns OFF the MIL after 3 consecutive drive trips when the test has run and passed.
    • A history DTC will clear if no fault conditions have been detected for 40 warm-up cycles. A warm-up cycle occurs when the coolant temperature has risen 22°C (40°F) from the startup coolant temperature and the engine coolant reaches a temperature that is more than 70°C (158°F) during the same ignition cycle.
    • Use a scan tool in order to clear the DTCs.

Diagnostic Aids

The use of fuel with a high sulphur or lead content can degrade a marginal converter's performance. Be sure to check the fuel quality.

Test Description

The numbers below refer to the step numbers in the diagnostic table.

  1. This table checks for conditions that can cause the three-way catalytic converter efficiency to appear degraded. Inspect and repair exhaust system as necessary. Refer to Exhaust System Inspection

  2. Before the three-way catalytic converter is replaced, make sure that the following conditions are not present:

  3. • Misfire
    • High engine oil consumption or coolant consumption
    • Retarded spark timing or weak spark

Step

Action

Value(s)

Yes

No

1

Important: Before clearing the DTCs, use the scan tool Capture Info to save the Freeze Frame and Failure Records for reference. The control module's data is deleted once the Clear Info function is used.

Did you perform the Powertrain On-Board Diagnostic (OBD) System Check?

--

Go to Step 2

Go to Powertrain On Board Diagnostic (OBD) System Check

2

Are any other DTCs set?

--

Go to the applicable DTC table

Go to Step 3

3

  1. Check exhaust system for the following:
  2. • Leaks
    • Loose or missing hardware
  3. Repair as necessary. Refer to Exhaust System Inspection in Engine Exhaust.

Did you find a problem?

--

Go to Step 5

Go to Step 4

4

  1. Verify that the correct original equipment three-way catalytic converter is installed.
  2. Check the converter for the following:
  3. • Dents
    • Severe discoloration
    • Holes
  4. Ensure that the oxygen sensors are properly installed and that the wiring connections are properly retained and not damaged.
  5. Repair as necessary. Refer to Exhaust System Inspection .

Did you find a problem?

--

Go to Step 5

Go to Step 6

5

  1. Using the scan tool, clear the DTCs.
  2. Start the engine.
  3. Allow the engine to idle until the engine reaches normal operating temperature.
  4. Select DTC and the Specific DTC function.
  5. Enter the DTC number that was set.
  6. Operate the vehicle, within the Conditions for Setting this DTC, until the Scan Tool indicates the diagnostic Ran.

Does the Scan tool indicate the diagnostic Passed?

--

System OK

Go to Step 6

6

Notice: In order to avoid damaging the replacement three-way catalytic converter, correct the engine misfire or mechanical fault before replacing the three-way catalytic converter.

Replace the catalytic converter. Refer to Catalytic Converter Replacement in Engine Exhaust.

Is the action complete?

--

System OK

--