GM Service Manual Online
For 1990-2009 cars only
Makes
🢒
Chevrolet
🢒
1999
🢒
Chevy C Pickup - 2WD
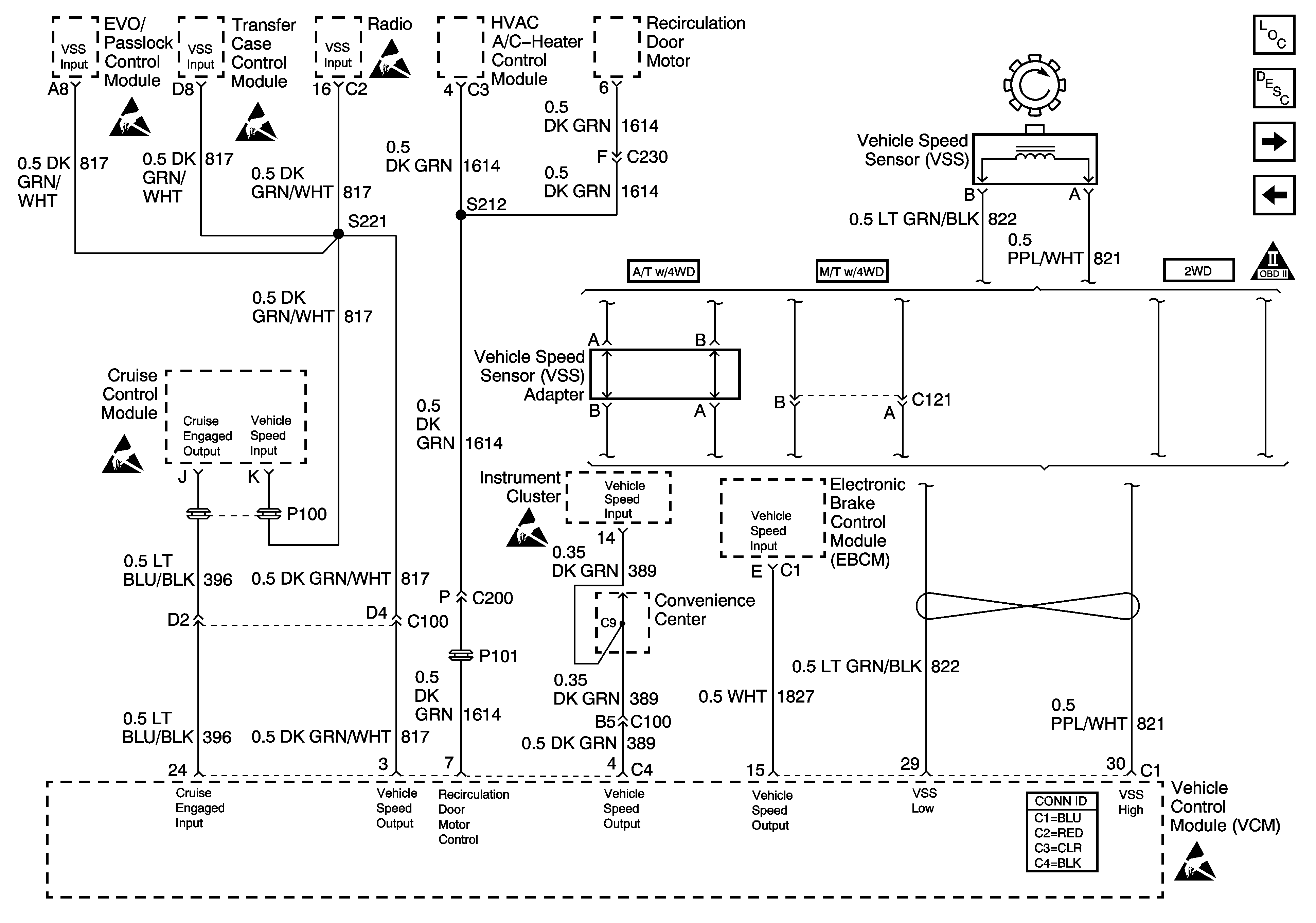
🢒 VSS and Cruise Controls
VSS and Cruise Controls
VSS and Cruise Controls
Handling ESD Sensitive Parts Notice
Handling ESD Sensitive Parts Notice
Handling ESD Sensitive Parts Notice
VCM Connector End Views
Handling ESD Sensitive Parts Notice
OBD II Symbol Description Notice
VCM, Underhood Fuse Relay Center
Evaporative and EGR Controls