GM Service Manual Online
For 1990-2009 cars only
Makes
🢒
Chevrolet
🢒
1999
🢒
Chevy C Pickup - 2WD
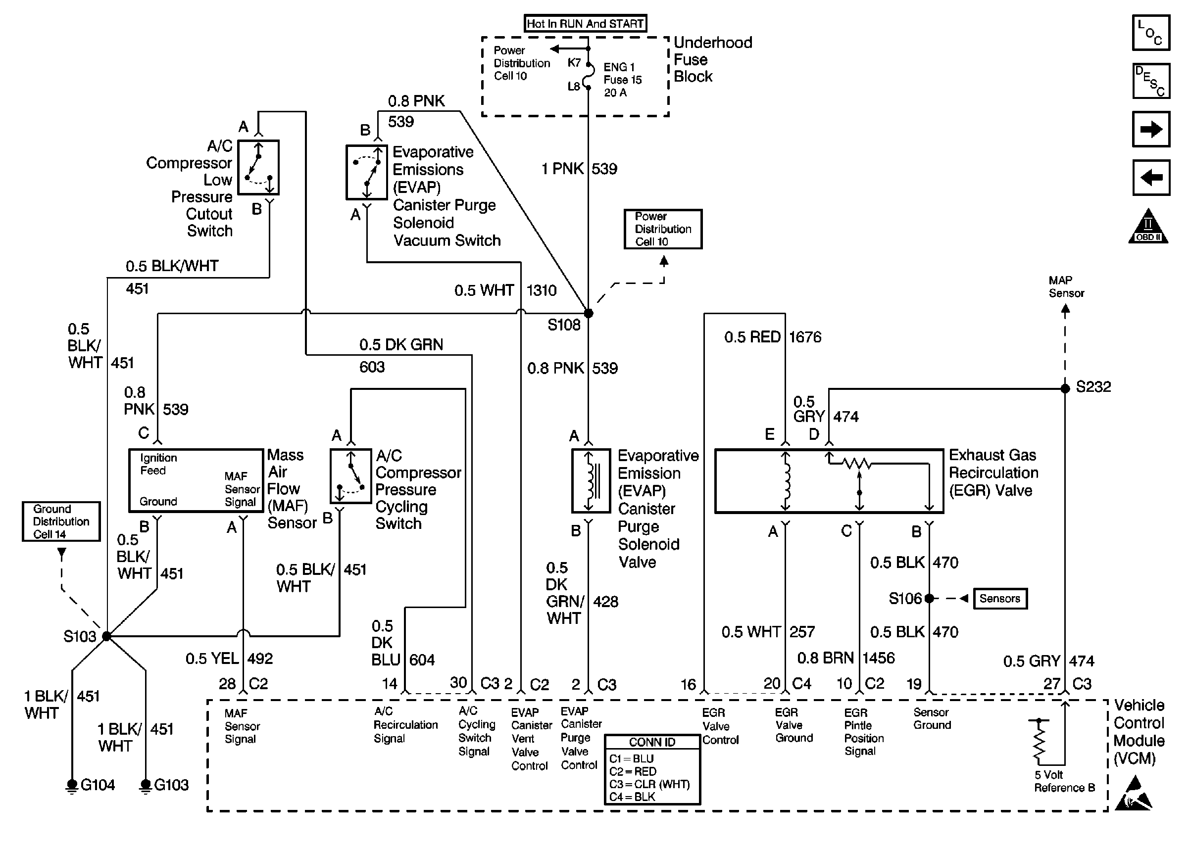
🢒 Evaporative and EGR Controls
Evaporative and EGR Controls
Evaporative and EGR Controls
Cell 10: IGN A Fuse and Ignition Switch
Cell 10: ENG-1 Fuse
Cell 14: G103 and G104
VCM Connector End Views
Handling ESD Sensitive Parts Notice
OBD II Symbol Description Notice
VSS and Cruise Controls
Transmission Controls