GM Service Manual Online
For 1990-2009 cars only
Makes
🢒
Chevrolet
🢒
2000
🢒
Chevy C Pickup - 2WD
🢒
Body and Accessories
🢒
Stationary Windows
🢒 Defogger Schematics
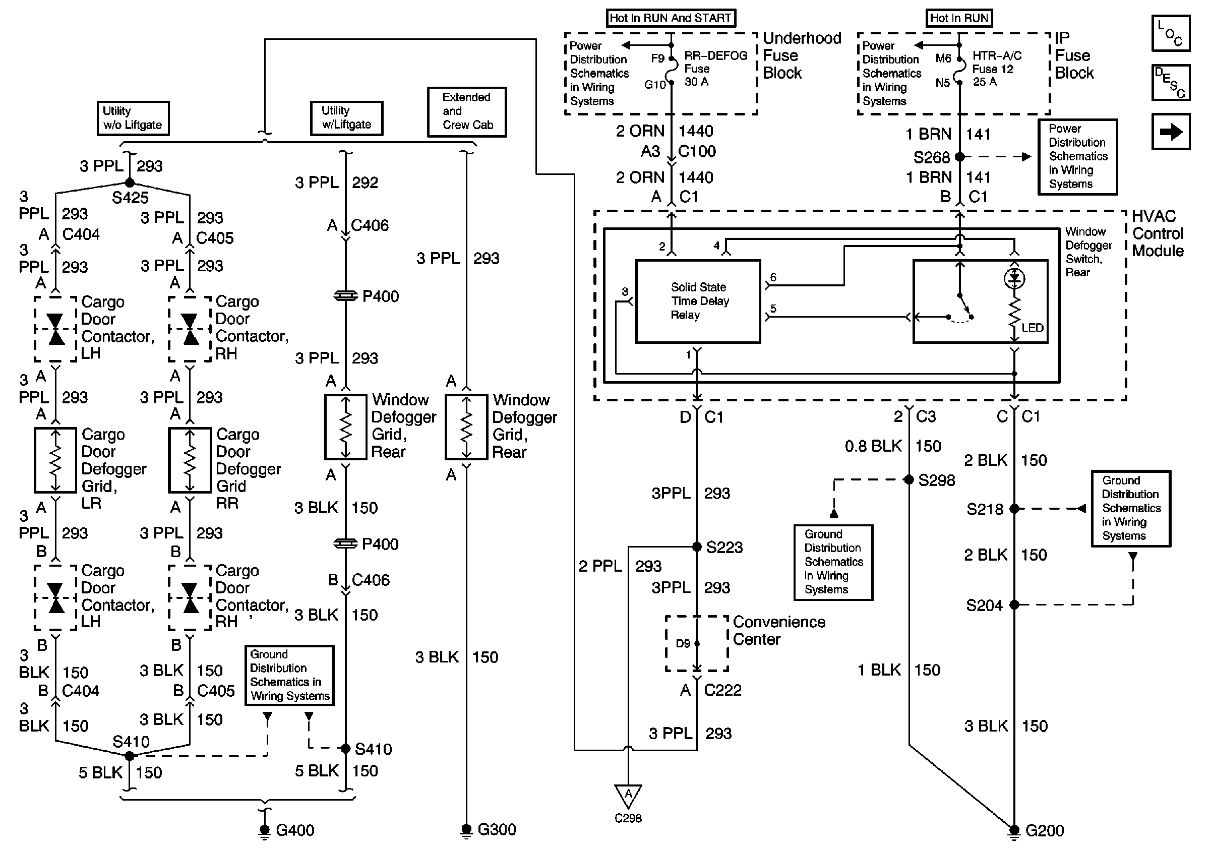
Figure
1:
Rear Defogger, HVAC Control Module, Window Defogger Grid, G400 and G200
Stationary Windows Components
Rear Window Defogger Circuit Description
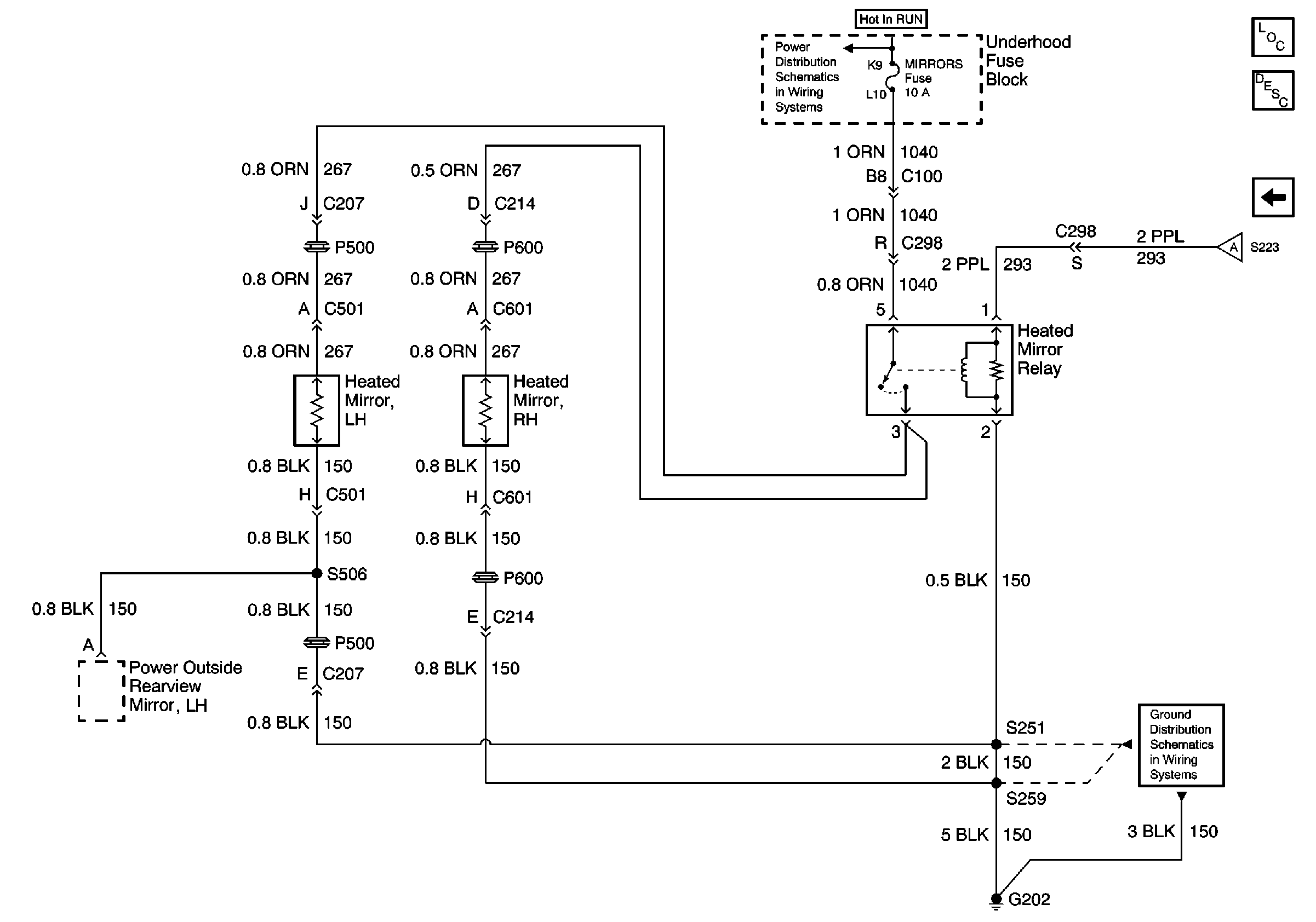
Mirrors Fuse, Heated Mirrors, Heated Mirror Relay
G200 (1 of 4)
BRAKE and HTR-A/C Fuses
BRAKE and HTR-A/C Fuses
FRONT HEATED SEATS, REAR HEATED SEATS, HTD MIR, AUX FAN, and RR DEFOG Fuses
G200 (4 of 4)
Mirrors Fuse, Heated Mirrors, Heated Mirror Relay
G400
Figure
2:
Mirrors Fuse, Heated Mirrors, Heated Mirror Relay
Stationary Windows Components
Rear Window Defogger Circuit Description
Rear Defogger, HVAC Control Module, Window Defogger Grid, G400 andG200
Rear Defogger, HVAC Control Module, Window Defogger Grid, G400 andG200
G202 (2 of 4)
FRONT HEATED SEATS, REAR HEATED SEATS, HTD MIR, AUX FAN, and RR DEFOG Fuses