GM Service Manual Online
For 1990-2009 cars only
Makes
🢒
Chevrolet
🢒
2000
🢒
Chevy C Pickup - 2WD
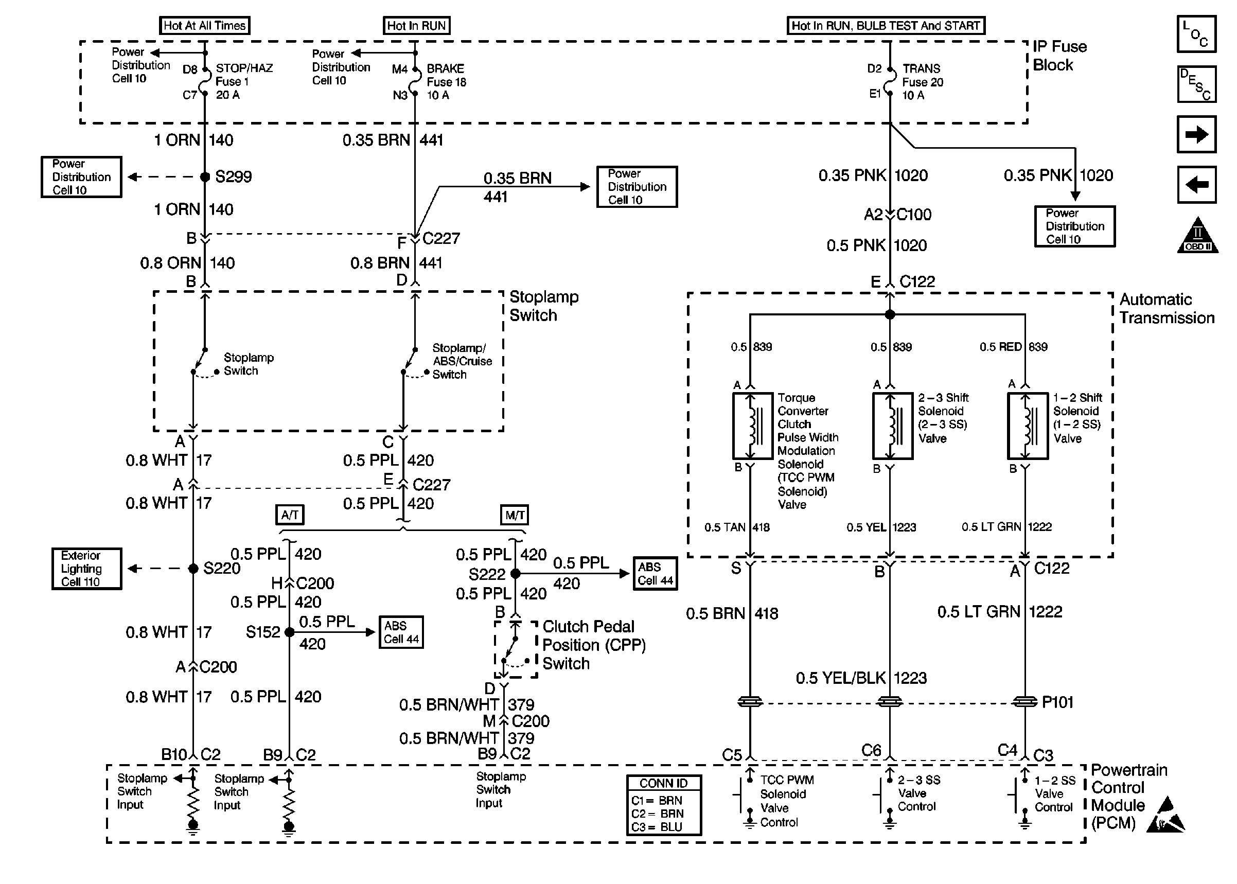
🢒 Transmission and TCC Controls
Transmission and TCC Controls
Transmission and TCC Controls
Cell 10: LIGHTING and BATTERY Fuses
Cell 10: IGN B Fuse and Ignition Switch
Cell 10: AIR BAG, TURN B/U, CRANK, and TRANS Fuses
Cell 10: AIR BAG, TURN B/U, CRANK, and TRANS Fuses
Cell 110: STOP/HAZ Fuse 1, Turn/Hazard Switch, Turn/Hazard Flasher
ABS Schematics
Powertrain Control Module Connector End Views
Handling ESD Sensitive Parts Notice
OBD II Symbol Description Notice
Transmission Controls
EGR, MAF and Accelerator Pedal Controls