GM Service Manual Online
For 1990-2009 cars only
Makes
🢒
Chevrolet
🢒
2000
🢒
Chevy C Pickup - 2WD
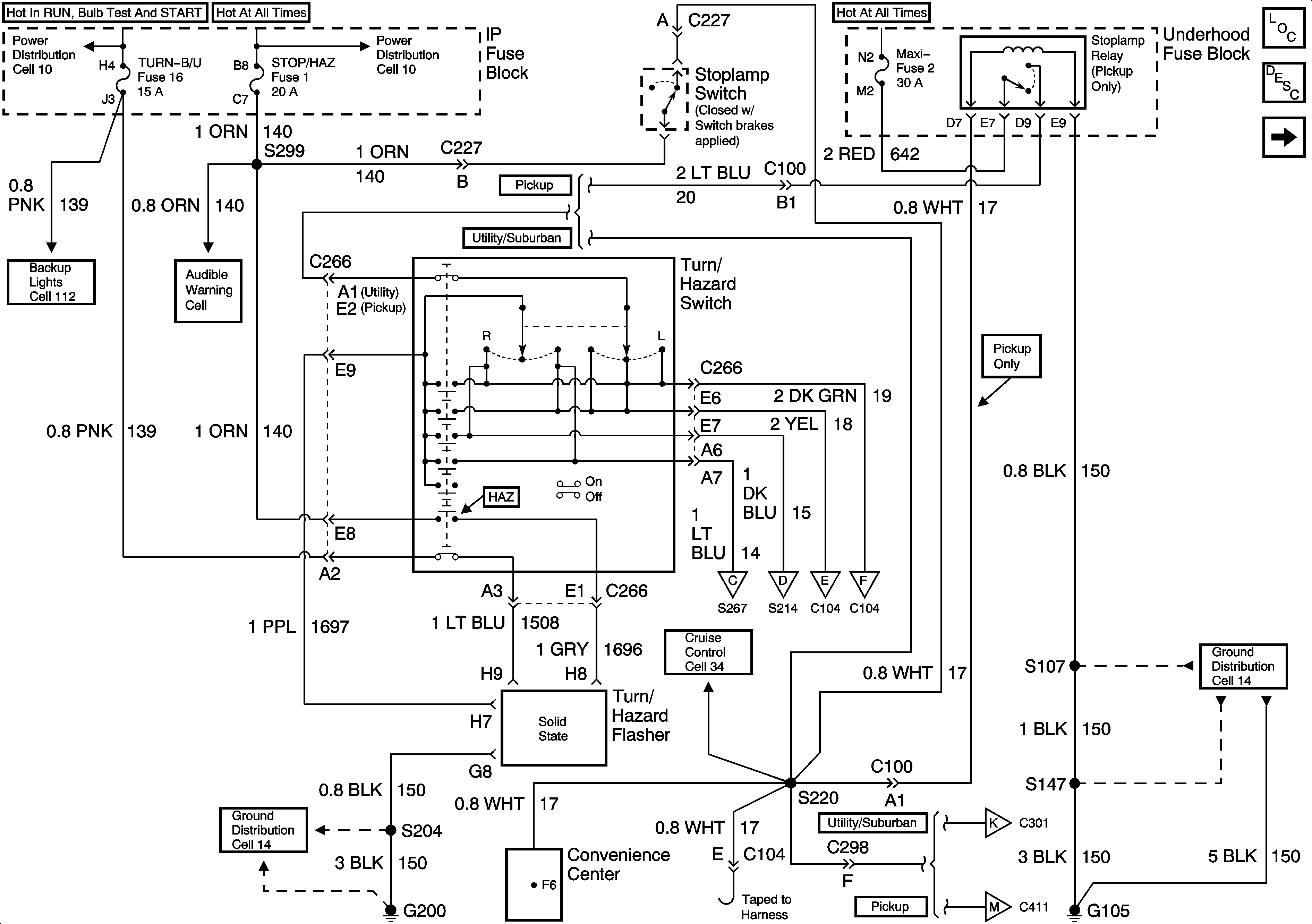
🢒 Cell 110: STOP/HAZ Fuse 1, Turn/Hazard Switch, Turn/Hazard Flasher
Cell 110: STOP/HAZ Fuse 1, Turn/Hazard Switch, Turn/Hazard Flasher
Cell 110: STOP/HAZ Fuse 1, Turn/Hazard Switch, Turn/Hazard Flasher
Exterior Lights Circuit Description
Cell 110: Front Park and Turn Lamps, Roof Marker Lamps
Lighting Systems Components
Cell 14: G105 (1 of 2)
Cell 110: AUX Fuse 22, Center High Mount Stop Lamp
Cell 110: CTSY Fuse 3, Cargo Lamp (Pickup Only)
Cell 10: LIGHTING and BATTERY Fuses
Cell 10: IGN A Fuse and Ignition Switch
Cell 112: Backup Lamps, Backup Switch
Cell 76
Cell 110: Front Park and Turn Lamps, Roof Marker Lamps
Cell 110: Tail/Stop-Turn Lamps, Endgate Marker Lamps
Cell 34: Cruise Control Module, VCM (Gas) (2 of 2)
Cell 14: G200 (1 of 4)