GM Service Manual Online
For 1990-2009 cars only
Makes
🢒
Chevrolet
🢒
2000
🢒
Chevy C Pickup - 2WD
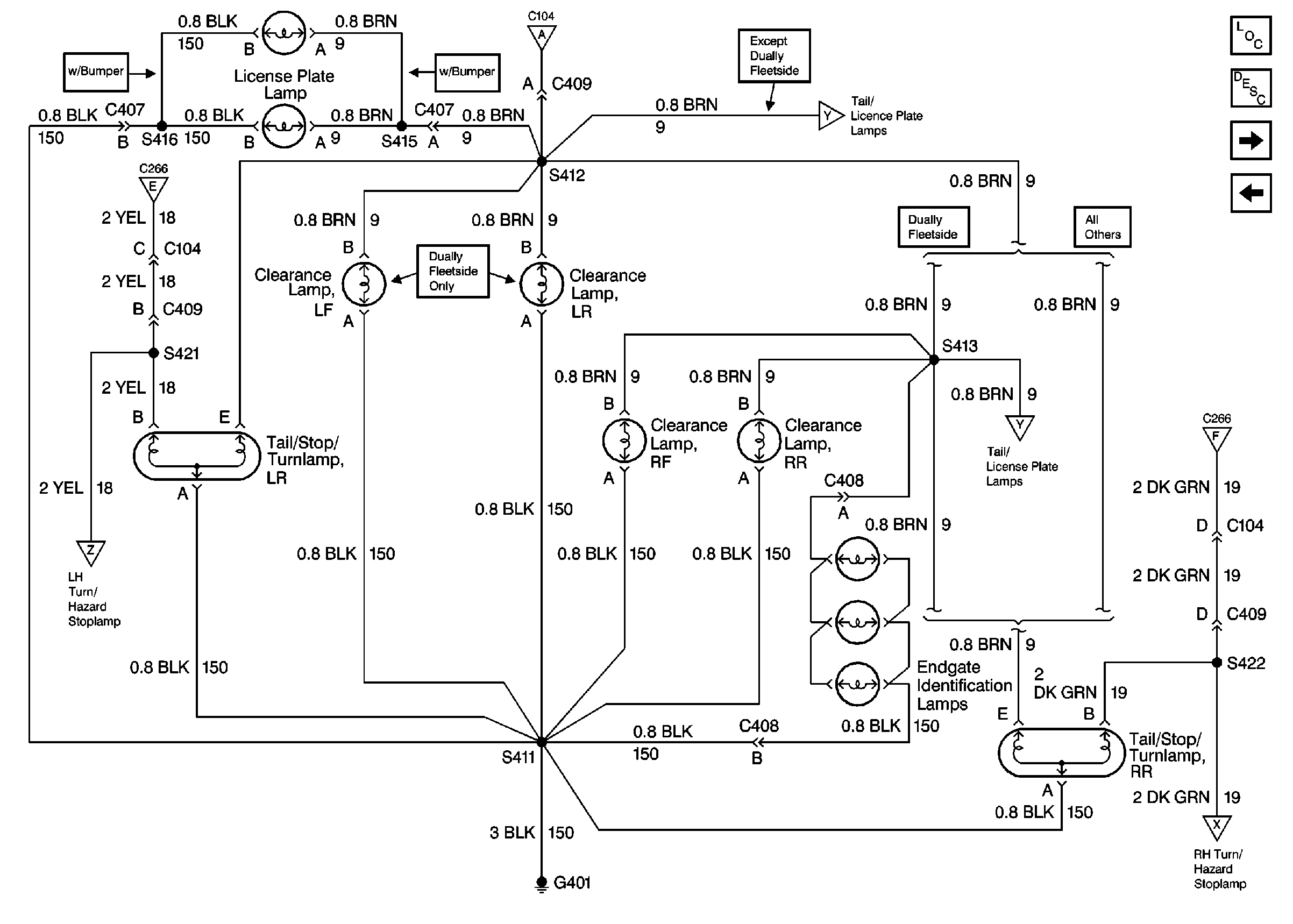
🢒 Cell 110: Tail/Stop-Turn Lamps, Endgate Marker Lamps
Cell 110: Tail/Stop-Turn Lamps, Endgate Marker Lamps
Cell 110: Tail/Stop-Turn Lamps, Endgate Marker Lamps
Exterior Lights Circuit Description
Cell 110: Front Park and Turn Lamps, Roof Marker Lamps
Cell 110: Instrument Cluster, G103 and G104
Cell 110: STOP/HAZ Fuse 1, Turn/Hazard Switch, Turn/Hazard Flasher
Cell 110: Trailer Tow
Cell 110: Front Park and Turn Lamps, Roof Marker Lamps
Cell 110: Trailer Tow
Cell 110: Trailer Tow
Cell 110: Trailer Tow
Cell 110: STOP/HAZ Fuse 1, Turn/Hazard Switch, Turn/Hazard Flasher
Lighting Systems Components