Makes 🢒
Chevrolet 🢒
2000 🢒
Chevy C Pickup - 2WD 🢒
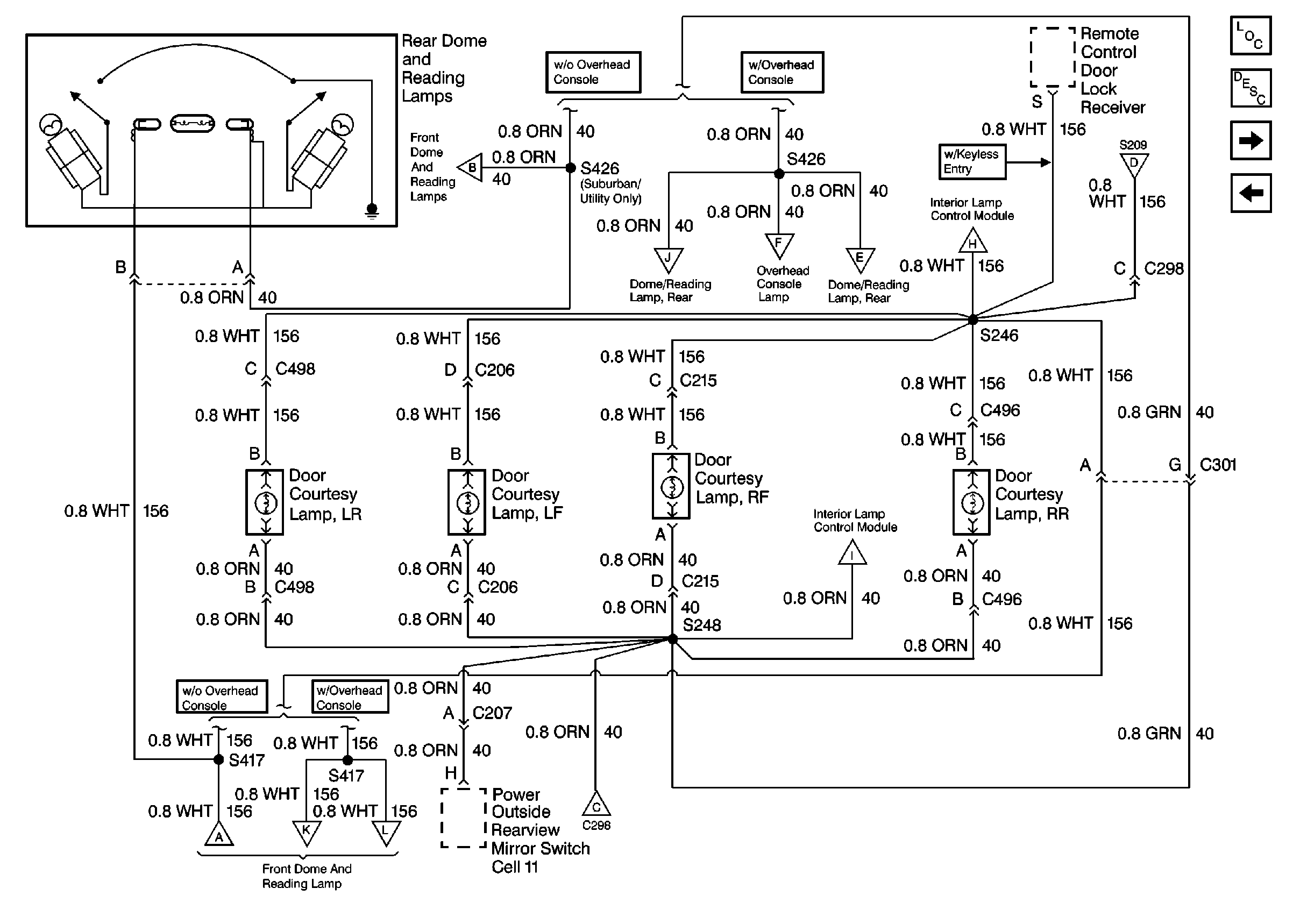
Cell 114: Rear Dome and Reading Lamps, Door Courtesy Lamps (Suburban/Utility/Crew Cab w/ Auxiliary Lighting)
Cell 114: Rear Dome and Reading Lamps, Door Courtesy Lamps (Suburban/Utility/Crew Cab w/ Auxiliary Lighting)