GM Service Manual Online
For 1990-2009 cars only
Makes
🢒
Chevrolet
🢒
2000
🢒
Chevy C Pickup - 2WD
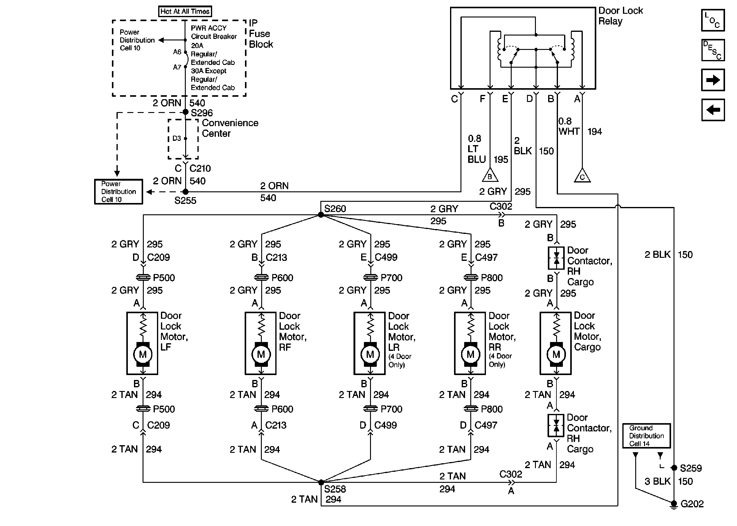
🢒 Cell 130: PWR ACCY Circuit Breaker, Door Lock Relay, Cargo Door Contactors, Door Lock Motors, G202
Cell 130: PWR ACCY Circuit Breaker, Door Lock Relay, Cargo Door Contactors, Door Lock Motors, G202
Cell 130: PWR ACCY Circuit Breaker, Door Lock Relay, Cargo Door Contactors, Door Lock Motors, G202
Power Door Locks Circuit Description Luxury
Cell 130: Door Jamb Switches, G200
Cell 130: CIG LTR Fuse, Door Lock Control Module, Rear Door Jamb Switch, Rear Door Lock Switch, G400
Cell 130: CIG LTR Fuse, Door Lock Control Module, Rear Door Jamb Switch, Rear Door Lock Switch, G400
Cell 130: CIG LTR Fuse, Door Lock Control Module, Rear Door Jamb Switch, Rear Door Lock Switch, G400
Cell 10: AUX PWR Fuse, PWR - ACCY Circuit Breaker (Luxury)
Ground Distribution Schematics
Cell 14: G202 (2 of 4)
Power Door Systems Components