GM Service Manual Online
For 1990-2009 cars only
Makes
🢒
Chevrolet
🢒
2000
🢒
Chevy C Pickup - 2WD
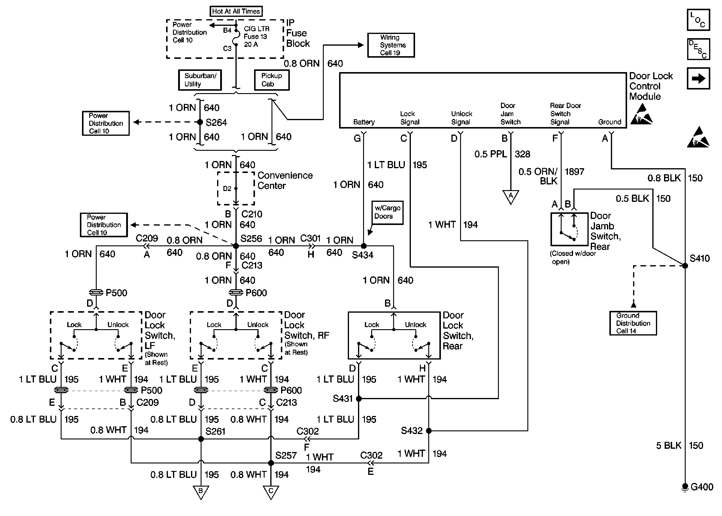
🢒 Cell 130: CIG LTR Fuse, Door Lock Control Module, Rear Door Jamb Switch, Rear Door Lock Switch, G400
Cell 130: CIG LTR Fuse, Door Lock Control Module, Rear Door Jamb Switch, Rear Door Lock Switch, G400
Cell 130: CIG LTR Fuse, Door Lock Control Module, Rear Door Jamb Switch, Rear Door Lock Switch, G400
Power Door Locks Circuit Description Luxury
Cell 130: PWR ACCY Circuit Breaker, Door Lock Relay, Cargo Door Contactors, Door Lock Motors, G202
Cell 130: PWR ACCY Circuit Breaker, Door Lock Relay, Cargo Door Contactors, Door Lock Motors, G202
Cell 130: PWR ACCY Circuit Breaker, Door Lock Relay, Cargo Door Contactors, Door Lock Motors, G202
Cell 130: PWR ACCY Circuit Breaker, Door Lock Relay, Cargo Door Contactors, Door Lock Motors, G202
Cell 10: CIG LTR Fuse
Cell 10: CIG LTR Fuse
Cell 14: G400
Fuses, Auxiliary Power Connectors and Cigar Lighter
Handling ESD Sensitive Parts Notice
Cell 10: LIGHTING and BATTERY Fuses
Power Door Systems Components
Handling ESD Sensitive Parts Notice