GM Service Manual Online
For 1990-2009 cars only
Makes
🢒
Chevrolet
🢒
2000
🢒
Chevy C Pickup - 2WD
🢒 Courtesy Lamps and Door Jambs
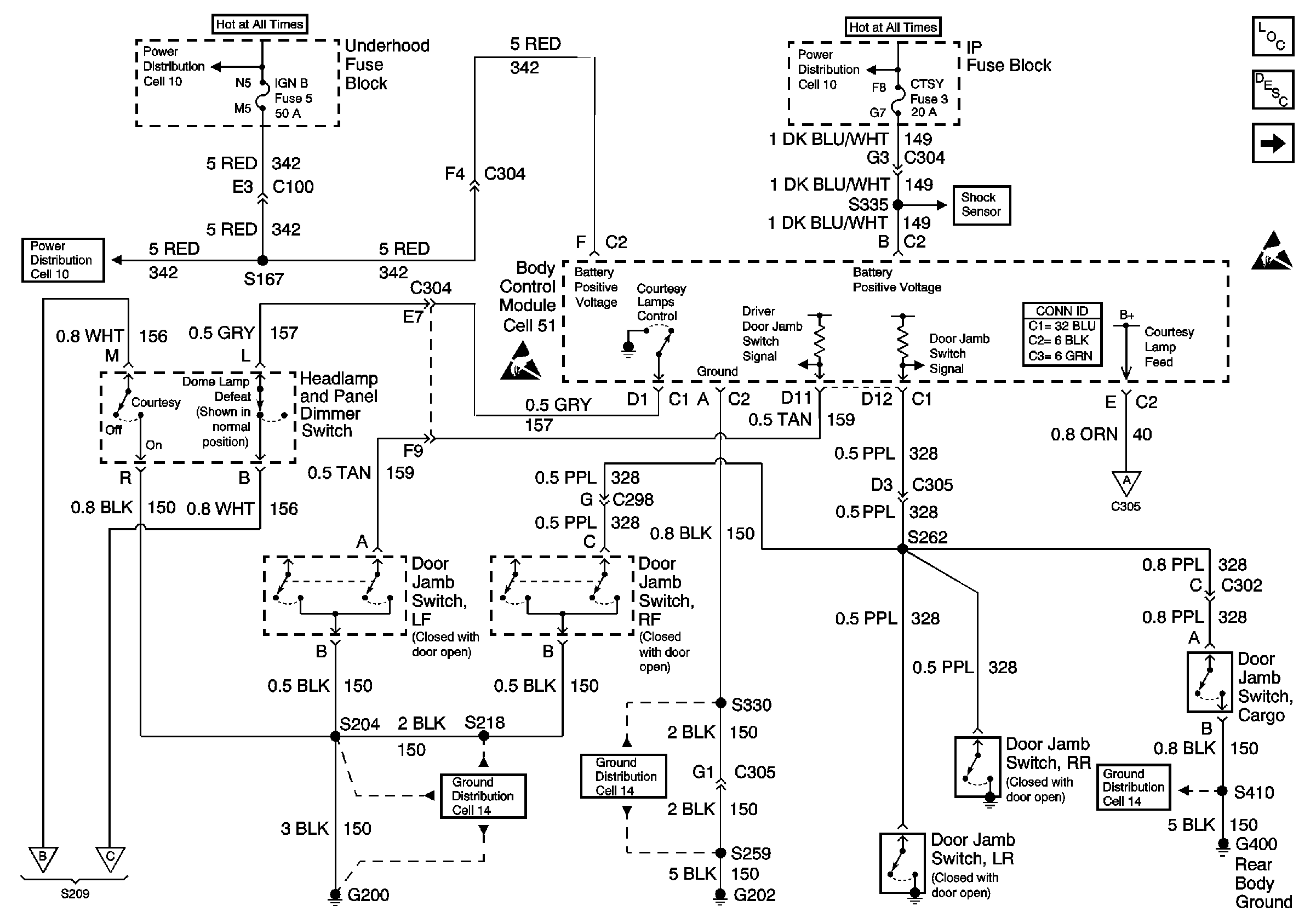
Courtesy Lamps and Door Jambs
Courtesy Lamps and Door Jambs
Handling ESD Sensitive Parts Notice
Courtesy Lamps and Rearview Mirror Switch
Lighting Systems Components
Interior Lights Circuit Description
Courtesy Lamps and Rearview Mirror Switch
Handling ESD Sensitive Parts Notice
Cell 14: G400
Cell 14: G202 (2 of 4)
Cell 14: G200 (1 of 4)
Courtesy Lamps and Rearview Mirror Switch
Courtesy Lamps and Rearview Mirror Switch
Cell 10: IGN B Fuse and Ignition Switch
Cell 10: Battery, and Underhood Fuse Block