GM Service Manual Online
For 1990-2009 cars only
Makes
🢒
Chevrolet
🢒
2000
🢒
Chevy C Pickup - 2WD
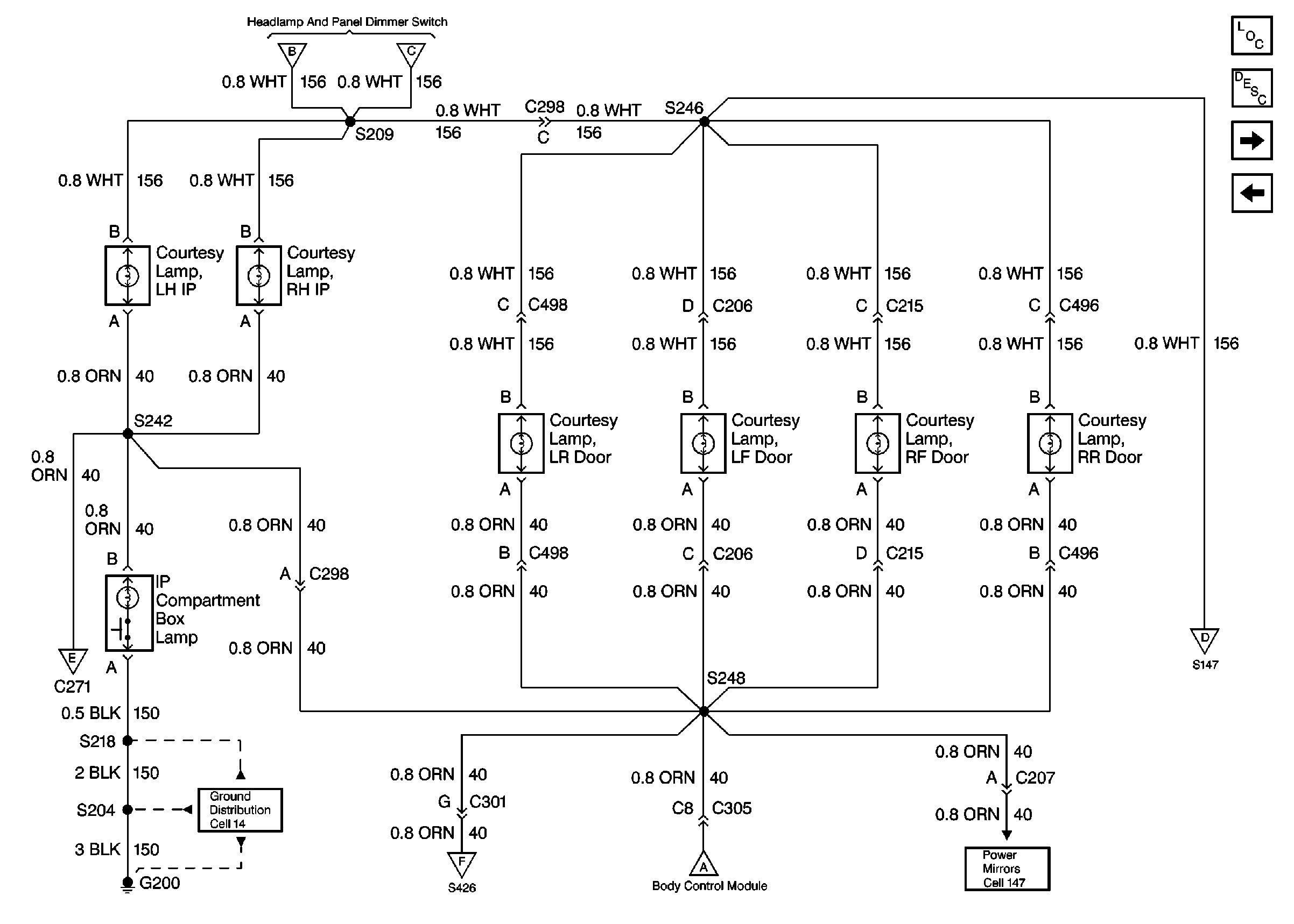
🢒 Courtesy Lamps and Rearview Mirror Switch
Courtesy Lamps and Rearview Mirror Switch
Courtesy Lamps and Rearview Mirror Switch
Courtesy Lamps and Door Jambs
Illuminated Mirrors
Dome Lamps and Reading Lamps
Courtesy Lamps and Door Jambs
Power Outside Rearview Mirrors - Except Luxury
Dome Lamps and Reading Lamps
Lighting Systems Components
Interior Lights Circuit Description
Courtesy Lamps and Door Jambs
Illuminated Mirrors