GM Service Manual Online
For 1990-2009 cars only
Makes
🢒
Chevrolet
🢒
2000
🢒
Chevy C Pickup - 2WD
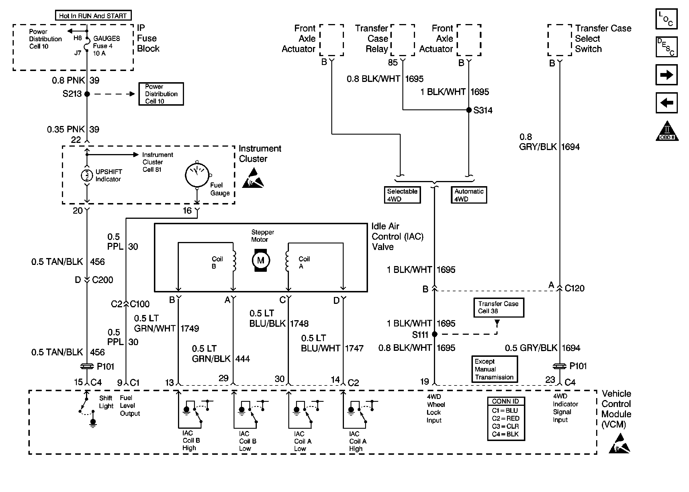
🢒 4WD, IAC, and Upshift Controls
4WD, IAC, and Upshift Controls
4WD, IAC, and Upshift Controls
Cell 10: IGN A Fuse and Ignition Switch
Cell 10: GAUGES Fuse
Handling ESD Sensitive Parts Notice
Front Axle Actuator
VCM Connector End Views
Handling ESD Sensitive Parts Notice
OBD II Symbol Description Notice
Air Pump Controls
HO2S Sensors 5.7L