GM Service Manual Online
For 1990-2009 cars only
Makes
🢒
Chevrolet
🢒
2000
🢒
Chevy C Pickup - 2WD
🢒 HO2S Sensors 5.7L
HO2S Sensors 5.7L
HO2S Sensors 5.7L
4WD, IAC, and Upshift Controls
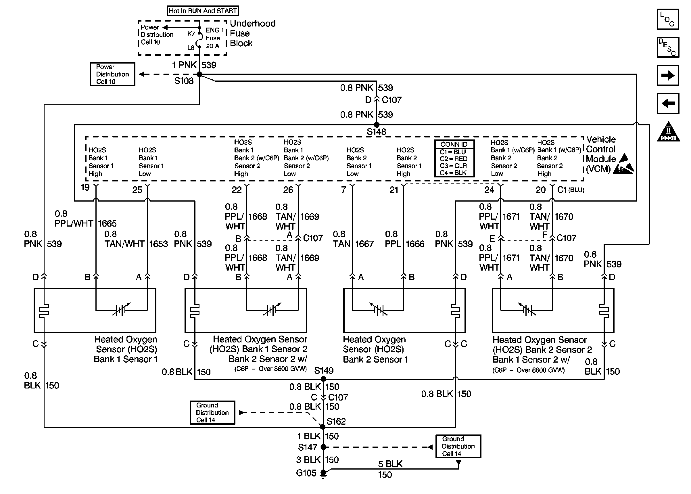
Heated Oxygen Sensors
OBD II Symbol Description Notice
Cell 10: IGN A Fuse and Ignition Switch
Cell 10: ENG-1 Fuse
VCM Connector End Views
Cell 14: G105 (2 of 2)
Cell 14: G105 (1 of 2)
Handling ESD Sensitive Parts Notice