GM Service Manual Online
For 1990-2009 cars only
Makes
🢒
Chevrolet
🢒
2000
🢒
Chevy C Pickup - 2WD
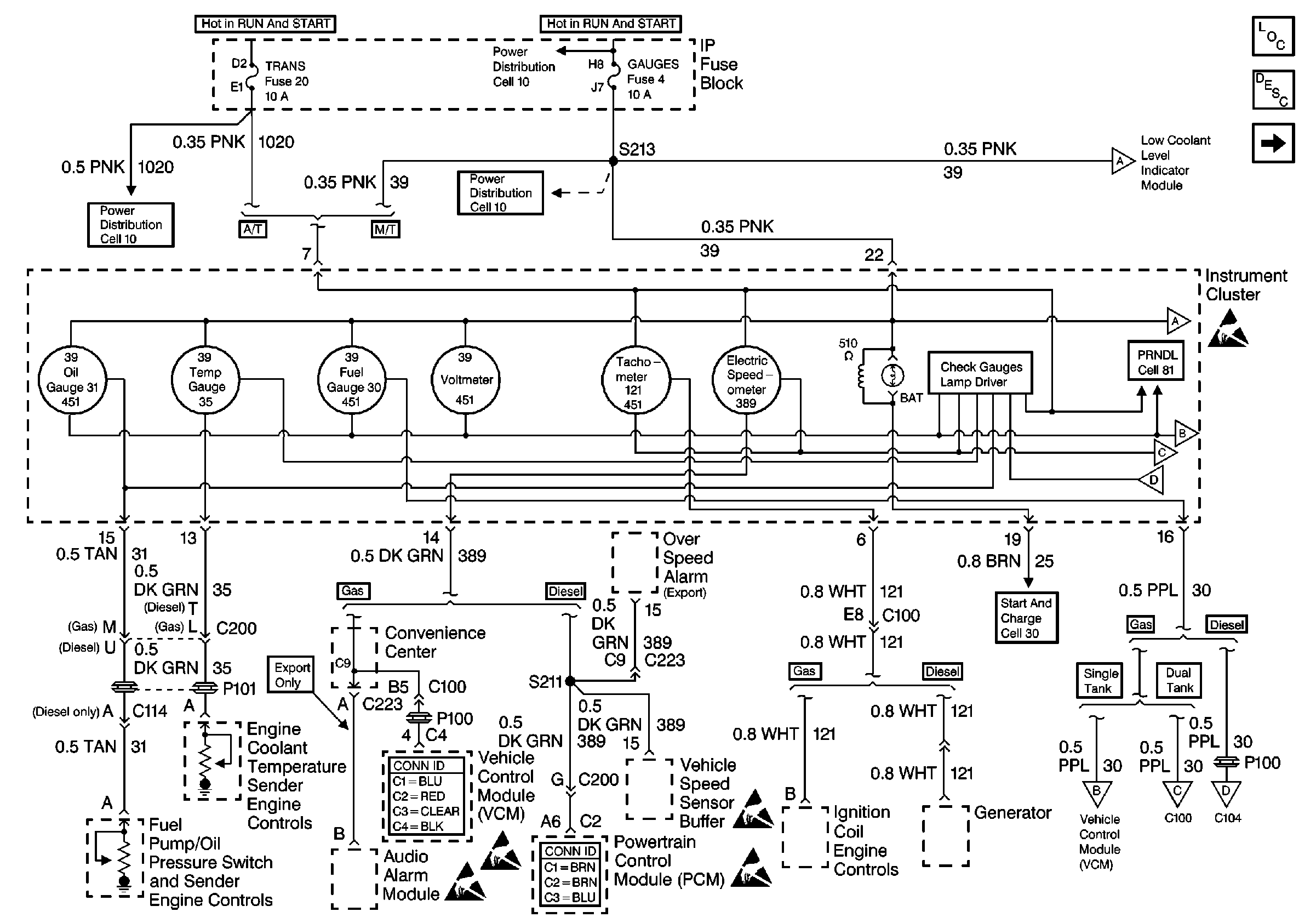
🢒 Gauges
Gauges
Gauges
Instrument Cluster Components
Instrument Cluster Circuit Description
Indicator Lamps
Cell 10: IGN A Fuse and Ignition Switch
Cell 10: AIR BAG, TURN B/U, CRANK, and TRANS Fuses
Cell 10: GAUGES Fuse
Indicator Lamps (Diesel Only)
Indicator Lamps
Electronic PRNDL
Handling ESD Sensitive Parts Notice
Indicator Lamps
Generator Controls (Gas)
Handling ESD Sensitive Parts Notice
Handling ESD Sensitive Parts Notice
Handling ESD Sensitive Parts Notice
Fuel Gauge Sender (Single Tank, Gas)
Fuel Gauge Sender (Dual Tank, Gas)
Fuel Gauge Sender(s) (Diesel)