GM Service Manual Online
For 1990-2009 cars only
Makes
🢒
Chevrolet
🢒
2000
🢒
Chevy C Pickup - 2WD
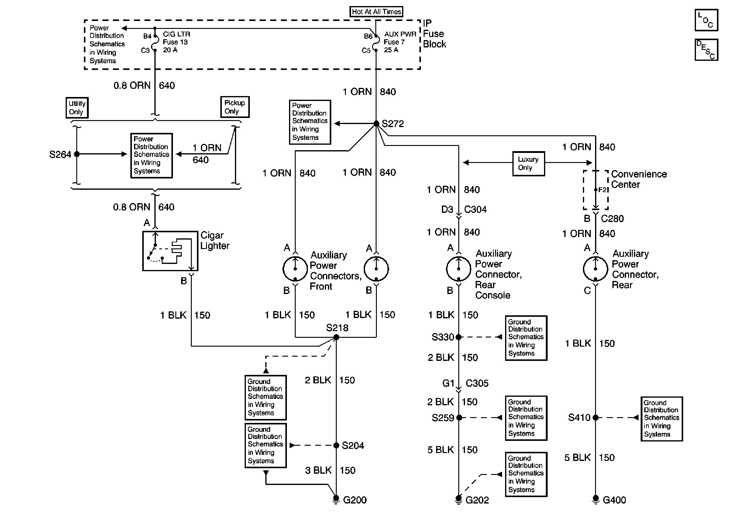
🢒 Fuses, Auxiliary Power Connectors and Cigar Lighter
Fuses, Auxiliary Power Connectors and Cigar Lighter
Fuses, Auxiliary Power Connectors and Cigar Lighter
Power and Grounding Components
Cigar Lighter/Auxiliary Outlet Circuit Description
Cell 10: LIGHTING and BATTERY Fuses
Cell 10: STOP/HAZ, RADIO BATT, and AUX PWR Fuses
Cell 10: CIG LTR Fuse
Cell 14: G200 (2 of 4)
Cell 14: G200 (1 of 4)
Cell 14: G202 (4 of 4)
Cell 14: G202 (2 of 4)
Cell 14: G202 (1 of 4)
Cell 14: G400