GM Service Manual Online
For 1990-2009 cars only
Makes
🢒
Chevrolet
🢒
2000
🢒
Chevy C Pickup - 2WD
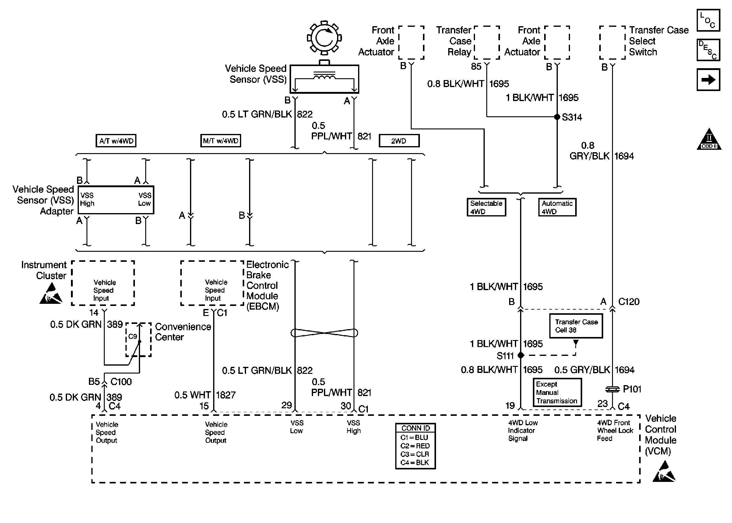
🢒 VSS, 4WD and Upshift Controls
VSS, 4WD and Upshift Controls
VSS, 4WD and Upshift Controls
Transmission Component Location
Transmission Component and System Description
Automatic Transmission, VCM
OBD II Symbol Description Notice
VCM Connector End Views
Handling ESD Sensitive Parts Notice
Shift Solenoids