GM Service Manual Online
For 1990-2009 cars only
Makes
🢒
Chevrolet
🢒
2000
🢒
Chevy C Pickup - 2WD
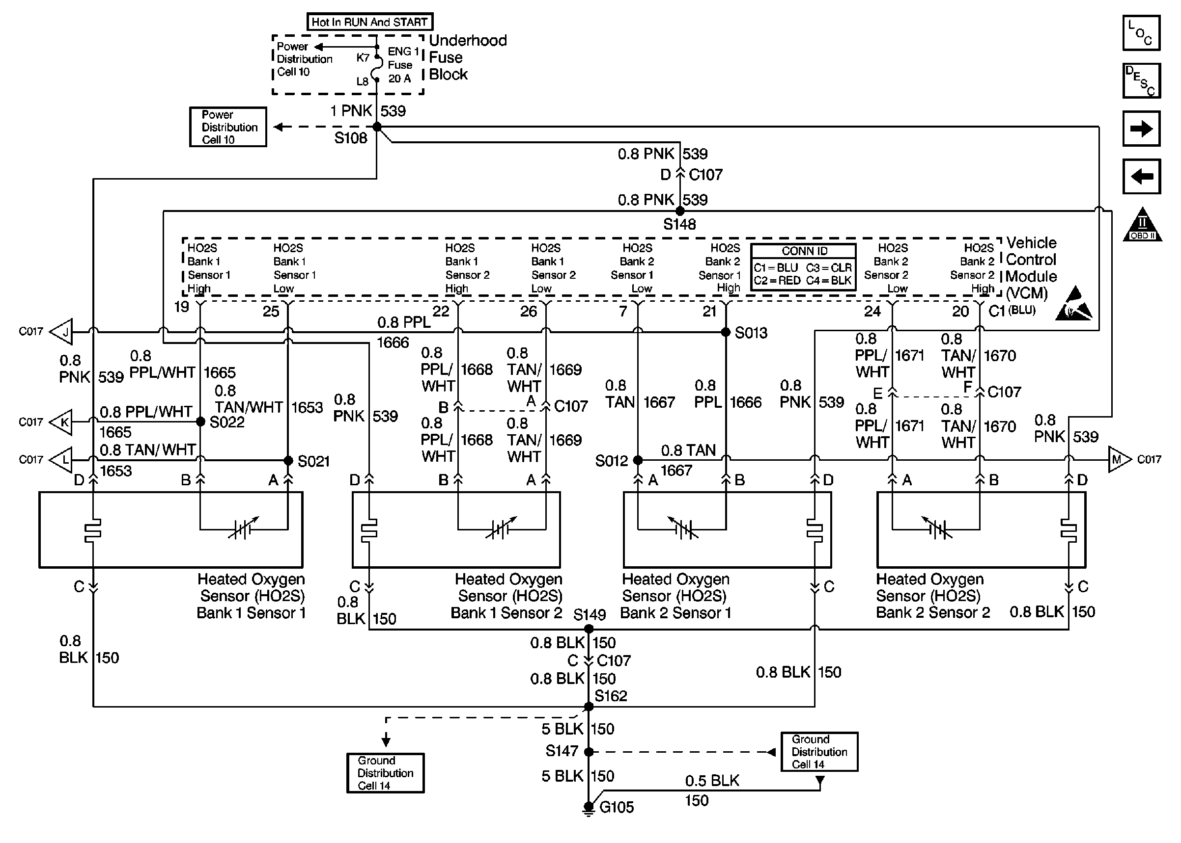
🢒 H02S Sensors
H02S Sensors
H02S Sensors
OBD II Symbol Description Notice
Alternative Fuel Connector (2 of 2)
Cell 14: G105 (1 of 2)
Cell 14: G105 (2 of 2)
Alternative Fuel Connector (2 of 2)
Cell 10: ENG-1 Fuse
Cell 10: IGN A Fuse and Ignition Switch
4WD, IAC and Upshift Controls
VCM and Engine Sensors