GM Service Manual Online
For 1990-2009 cars only
Makes
🢒
Chevrolet
🢒
2000
🢒
Chevy C Pickup - 2WD
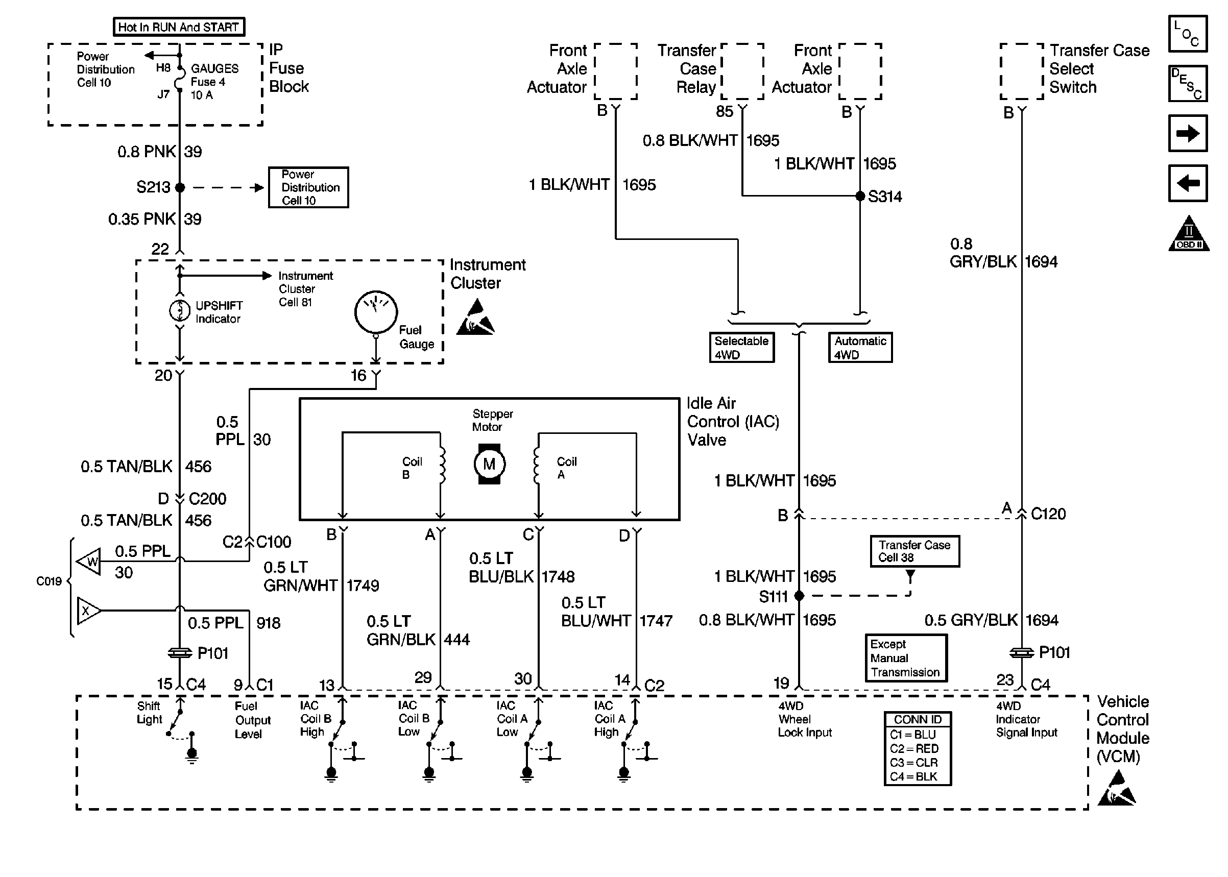
🢒 4WD, IAC and Upshift Controls
4WD, IAC and Upshift Controls
4WD, IAC and Upshift Controls
OBD II Symbol Description Notice
Front Axle Actuator
VCM Connector End Views
Handling ESD Sensitive Parts Notice
Cell 10: IGN A Fuse and Ignition Switch
Alternative Fuel Connector (1 of 2)
Handling ESD Sensitive Parts Notice
VSS and Cruise Control
H02S Sensors