GM Service Manual Online
For 1990-2009 cars only
Makes
🢒
Chevrolet
🢒
2000
🢒
Chevy C Pickup - 2WD
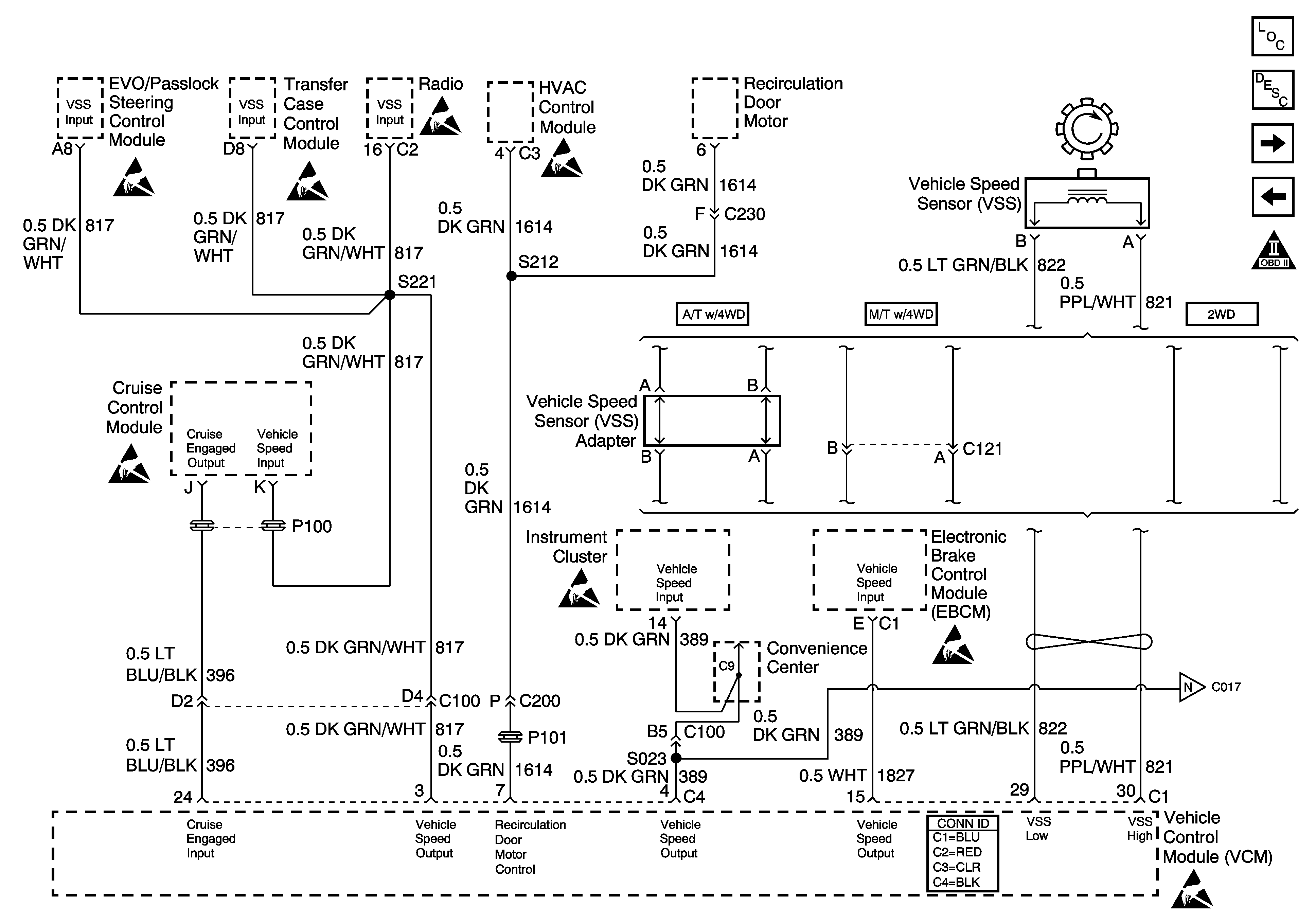
🢒 VSS and Cruise Control
VSS and Cruise Control
VSS and Cruise Control
Handling ESD Sensitive Parts Notice
Handling ESD Sensitive Parts Notice
Handling ESD Sensitive Parts Notice
Handling ESD Sensitive Parts Notice
Handling ESD Sensitive Parts Notice
Handling ESD Sensitive Parts Notice
Handling ESD Sensitive Parts Notice
VCM Connector End Views
Alternative Fuel Connector (2 of 2)
Handling ESD Sensitive Parts Notice
OBD II Symbol Description Notice
Evap and EGR Controls
4WD, IAC and Upshift Controls