GM Service Manual Online
For 1990-2009 cars only
Makes
🢒
Chevrolet
🢒
2000
🢒
Chevy C Pickup - 2WD
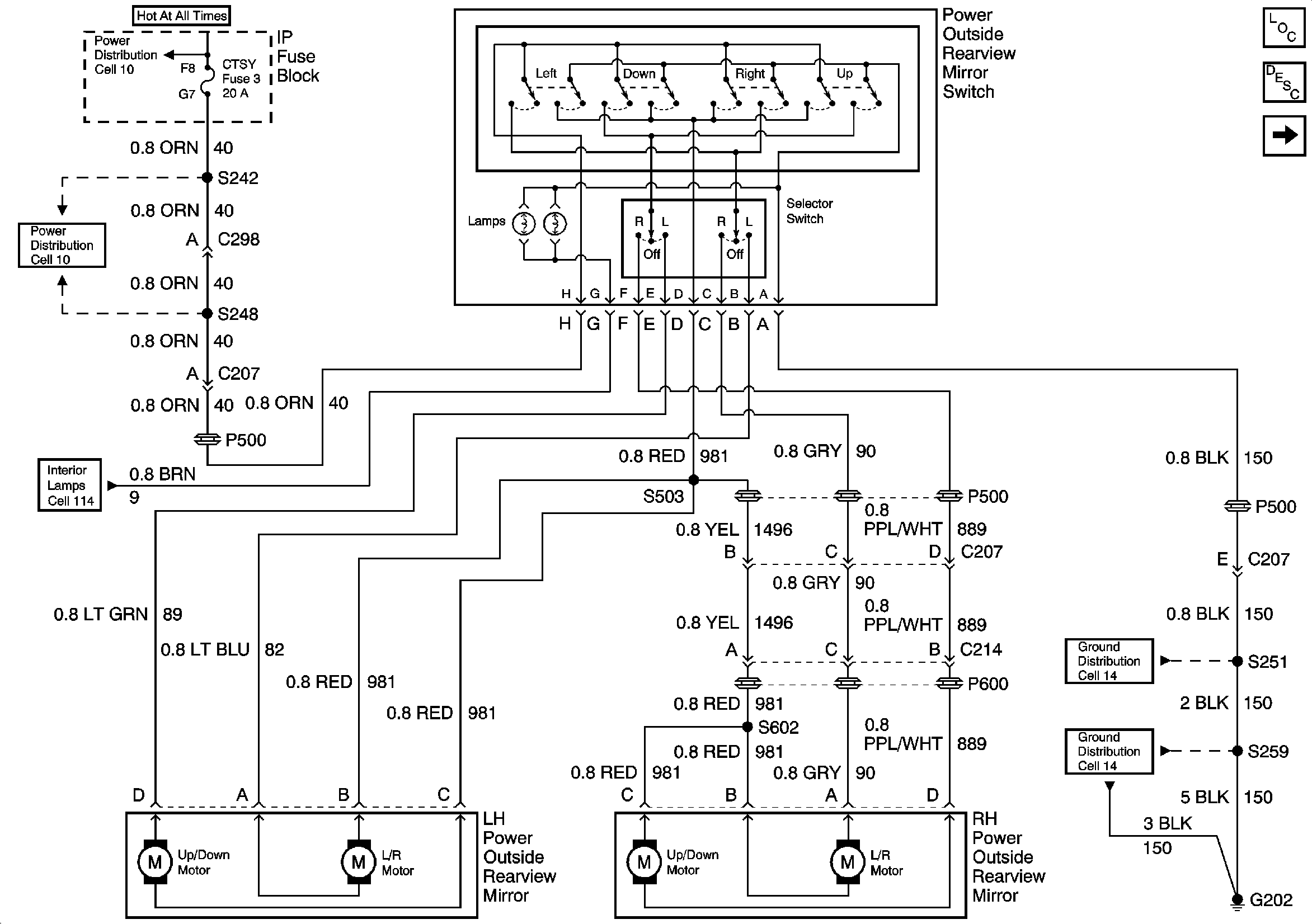
🢒 Power Outside Rearview Mirrors - Except Luxury
Power Outside Rearview Mirrors - Except Luxury
Power Outside Rearview Mirrors -- Except Luxury
Power Door Systems Components
Heated Mirror Circuit Description
Power Outside Rearview Mirrors - Luxury
Cell 10: LIGHTING and BATTERY Fuses
Cell 10: T CASE, and CTSY Fuses (1 of 2)
Power Window Switch Illumination
Cell 14: G202 (3 of 4)
Cell 14: G202 (2 of 4)