GM Service Manual Online
For 1990-2009 cars only
Makes
🢒
Chevrolet
🢒
2000
🢒
Chevy C Pickup - 2WD
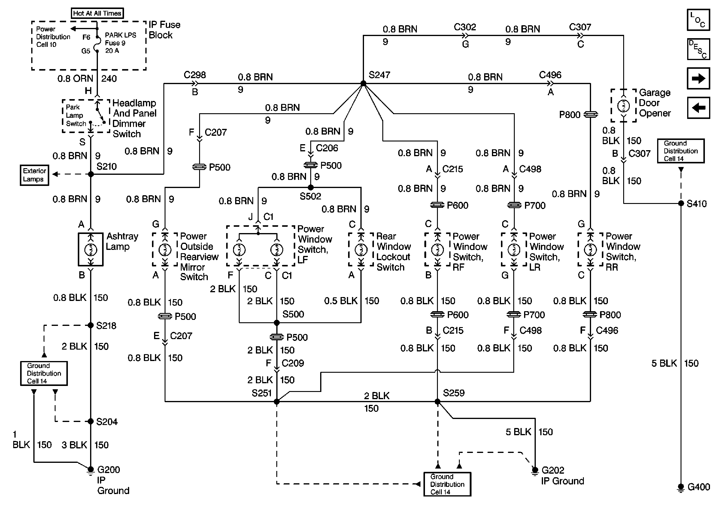
🢒 Power Window Switch Illumination
Power Window Switch Illumination
Power Window Switch Illumination
Lighting Systems Components
Interior Lights Circuit Description
Cell 114: CTSY Fuse 3, Illuminated Vanity Mirrors
Cell 14: G400
Cell 110: Front Park and Turn Lamps, Roof Marker Lamps
Cell 10: LIGHTING and BATTERY Fuses
Cell 14: G202 (2 of 4)
Cell 14: G200 (1 of 4)