GM Service Manual Online
For 1990-2009 cars only
Makes
🢒
Chevrolet
🢒
2000
🢒
Chevy C Pickup - 2WD
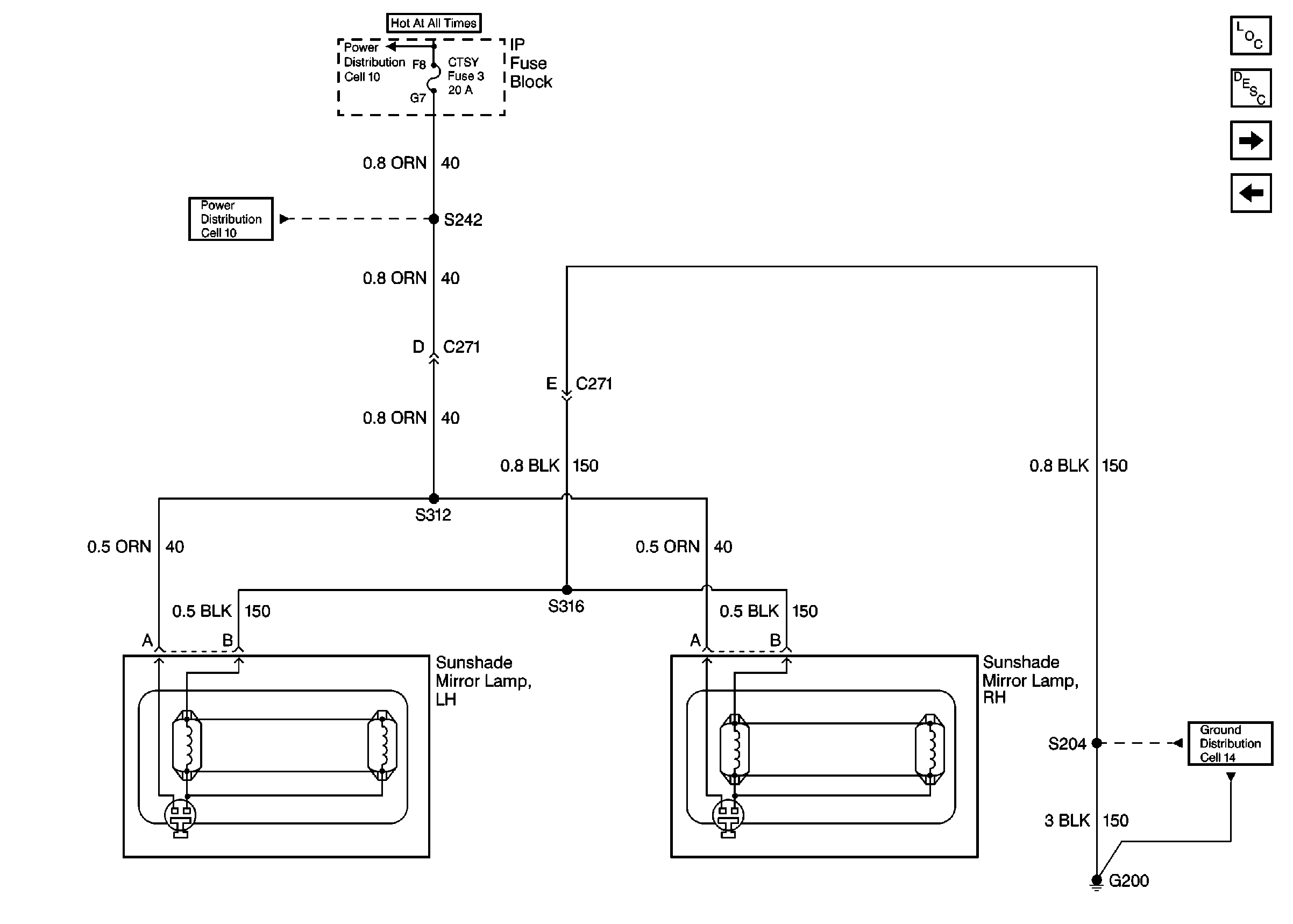
🢒 Cell 114: CTSY Fuse 3, Illuminated Vanity Mirrors
Cell 114: CTSY Fuse 3, Illuminated Vanity Mirrors
Cell 114: CTSY Fuse 3, Illuminated Vanity Mirrors
Cell 114: Overhead Console Reading Lamps, Dome/Reading Lamps
Interior Lights Circuit Description
Cell 14: G200 (4 of 4)
Cell 10: T CASE, and CTSY Fuses (1 of 2)
Cell 10: T CASE, and CTSY Fuses (1 of 2)
Lighting Systems Components
Cell 114: HORN Fuse, CIG LTR Fuse 13, Underhood and Reel Lamps