GM Service Manual Online
For 1990-2009 cars only
Makes
🢒
Chevrolet
🢒
2000
🢒
Chevy C Pickup - 2WD
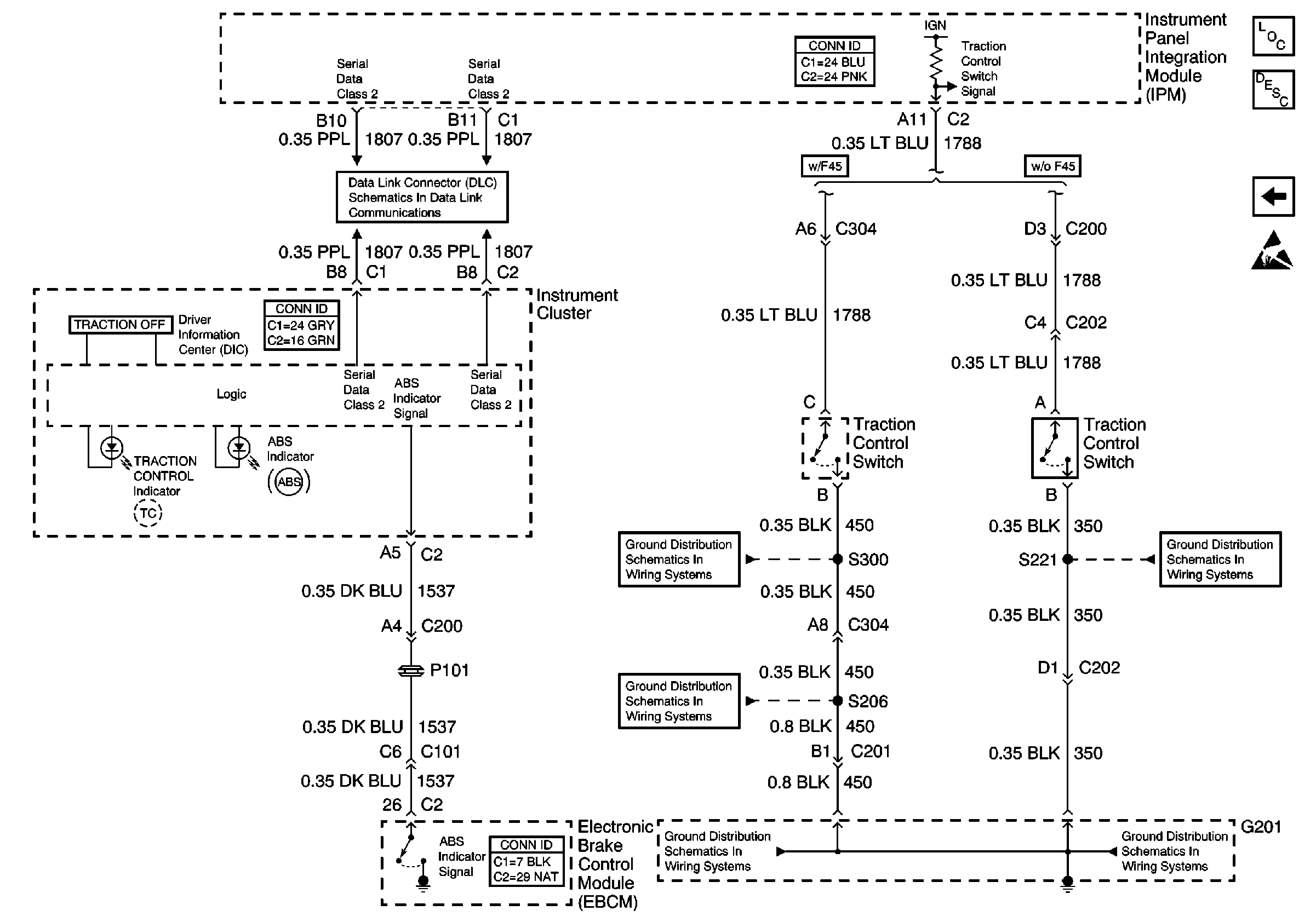
🢒 Indicators and Traction Control Switch
Indicators and Traction Control Switch
Indicators and Traction Control Switch
ABS Components
ABS Description
Suspension Inputs, Class 2, Traction Control, and Variable Effort Steering
Handling ESD Sensitive Parts Notice
Handling ESD Sensitive Parts Notice
Serial Data Class 2 (1 of 3)
G201 - Console Harness
G201 - IP Harness
G201 - IP Harness
G201 - Steering Column
G201 - Steering Column