GM Service Manual Online
For 1990-2009 cars only
Makes
🢒
Chevrolet
🢒
2000
🢒
Chevy C Pickup - 2WD
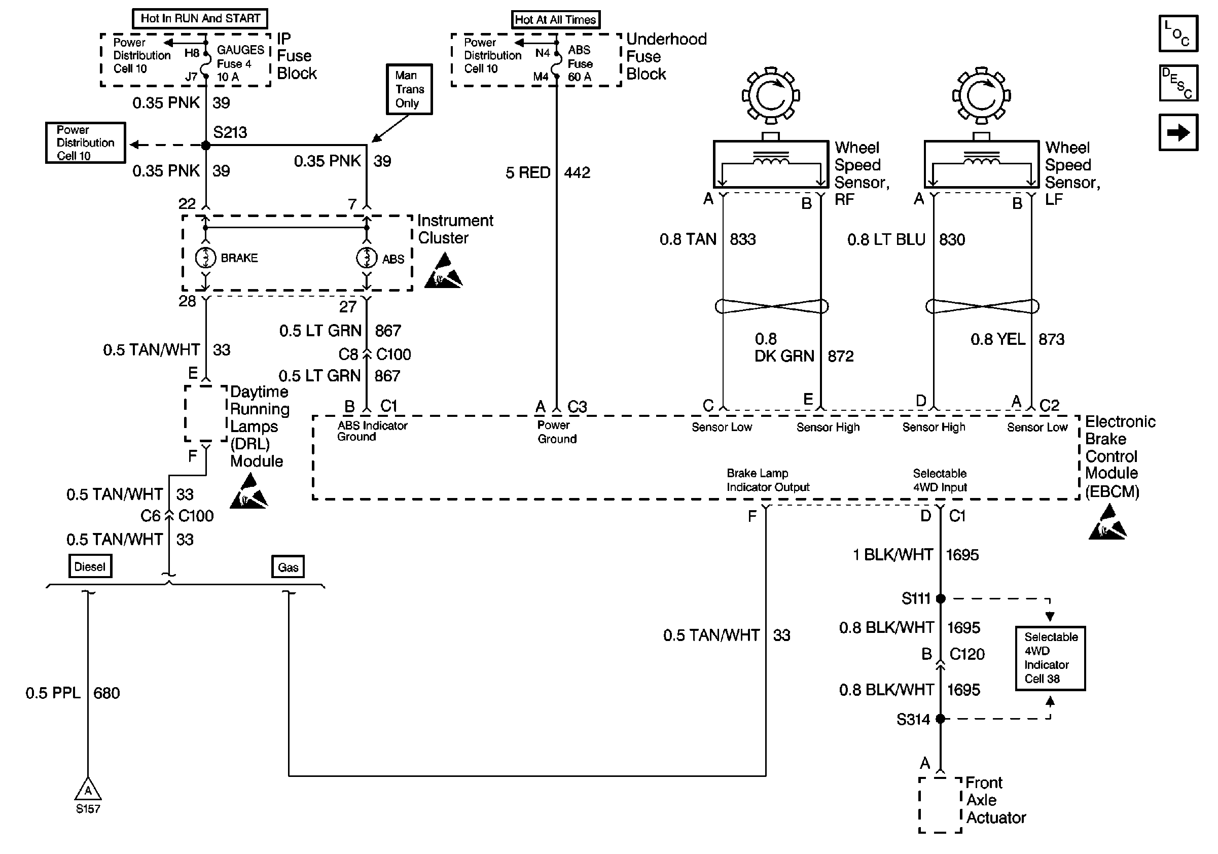
🢒 Indicator Control and Wheel Speed Sensors
Indicator Control and Wheel Speed Sensors
Indicator Control and Wheel Speed Sensors
Antilock Brake System Component Views
VSS, TCC Signal and Brake Indicator (Gas)
Cell 10: IGN A Fuse and Ignition Switch
Cell 10: Battery, and Underhood Fuse Block
Cell 10: GAUGES Fuse
ABS Description
Handling Electrostatic Discharge Sensitive Parts Notice
Handling Electrostatic Discharge Sensitive Parts Notice
Handling Electrostatic Discharge Sensitive Parts Notice
Front Axle Actuator
VSS, TCC Signal and Brake Indicator (Diesel)