GM Service Manual Online
For 1990-2009 cars only
Makes
🢒
Chevrolet
🢒
2000
🢒
Chevy C Pickup - 2WD
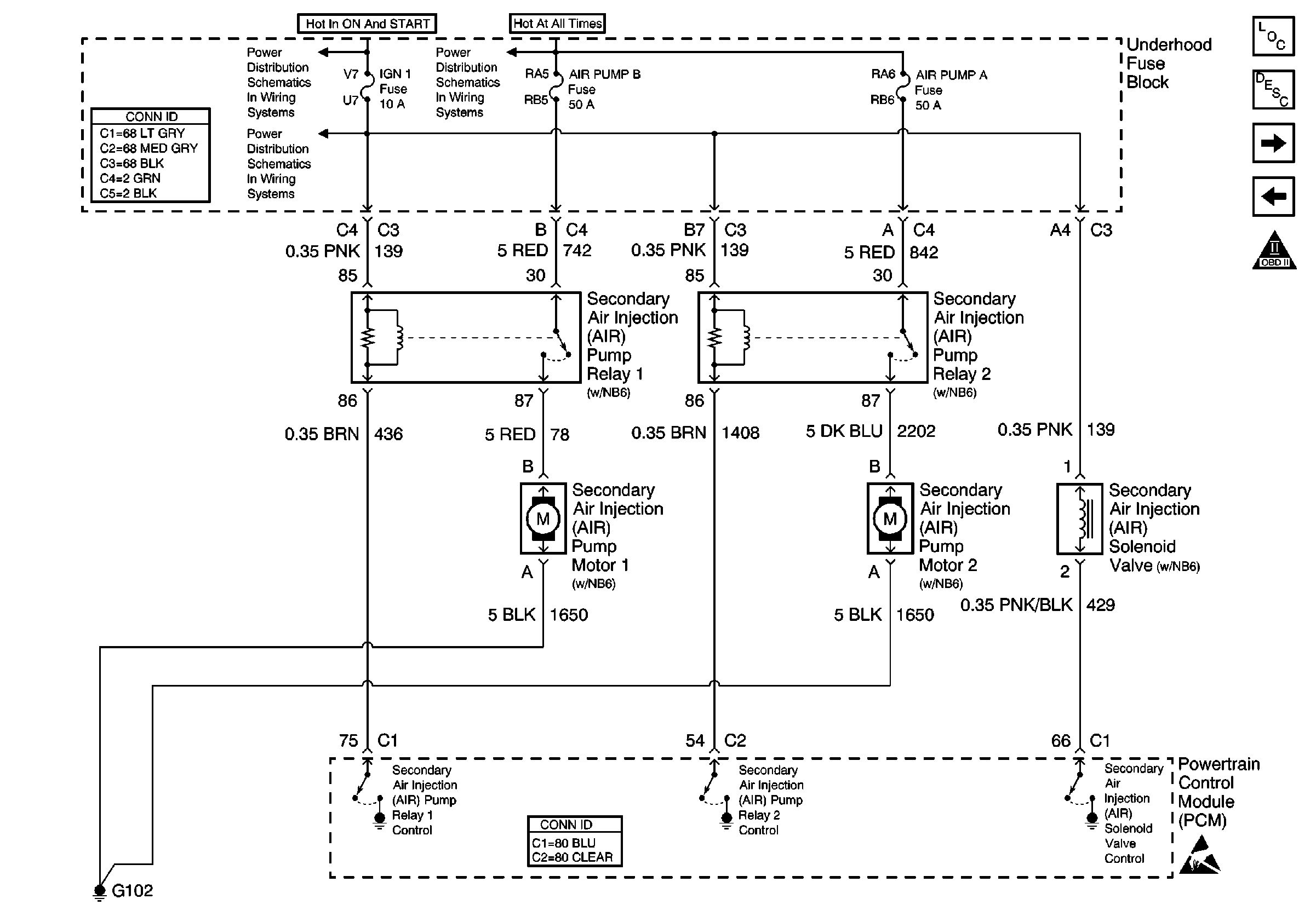
🢒 Secondary AIr Injection (AIR) Pump Motors w/NB6 - California Emissions
Secondary AIr Injection (AIR) Pump Motors w/NB6 - California Emissions
Secondary AIr Injection (AIR) Pump Motors w/NB6 -- California Emissions
Engine Controls Components
Powertrain Control Module (PCM)
Engine Cooling Fan Motors
Automatic Transaxle - IMS Switch and VSS
OBD II Symbol Description Notice
Handling ESD Sensitive Parts Notice
Power and Grounding Connector End Views Fuse Blocks and Ignition Switch
START Circuit Breaker, PCM IGN and IGN1 Fuses
START Circuit Breaker, PCM IGN and IGN1 Fuses
Underhood Fuse Block Battery Voltage
Powertrain Control Module Connector End Views