GM Service Manual Online
For 1990-2009 cars only
Makes
🢒
Chevrolet
🢒
2000
🢒
Chevy C Pickup - 2WD
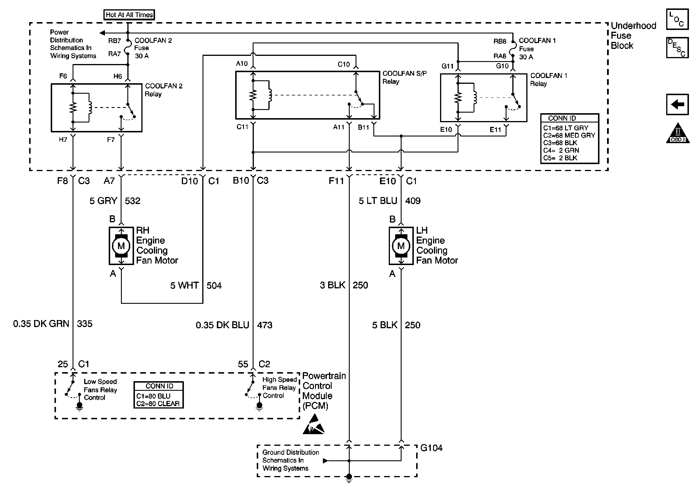
🢒 Engine Cooling Fan Motors
Engine Cooling Fan Motors
Engine Cooling Fan Motors
Engine Controls Components
Powertrain Control Module (PCM)
Secondary AIr Injection (AIR) Pump Motors w/NB6 - California Emissions
OBD II Symbol Description Notice
Handling ESD Sensitive Parts Notice
Underhood Fuse Block Battery Voltage
Powertrain Control Module Connector End Views
G104 - Relays, Horns and Other Items
Power and Grounding Connector End Views Fuse Blocks and Ignition Switch