GM Service Manual Online
For 1990-2009 cars only
Makes
🢒
Chevrolet
🢒
2000
🢒
Chevy C Pickup - 2WD
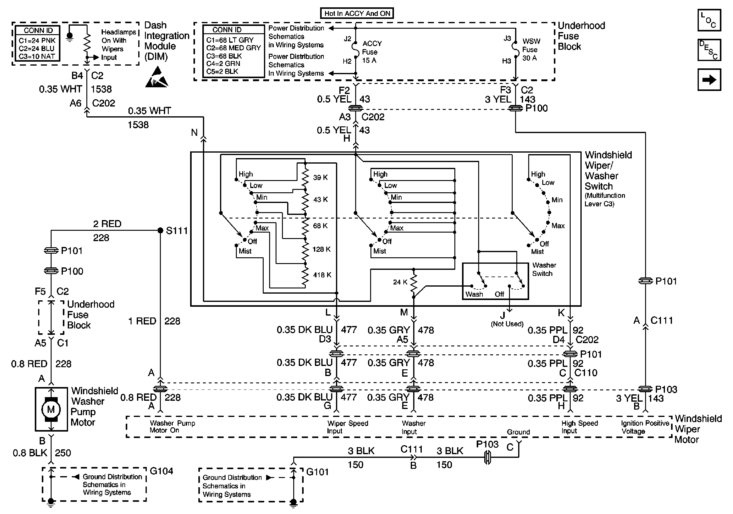
🢒 Wiper/Washer Switch and Pump
Wiper/Washer Switch and Pump
Wiper/Washer Switch and Pump
Wiper/Washer System Components
Wiper/Washer System Circuit Description
Outside Moisture Sensor
Body Control System Connector End Views
Handling ESD Sensitive Parts Notice
Power and Grounding Connector End Views Fuse Blocks and Ignition Switch
Rear Fuse Block Battery Voltage
Rear Fuse Block Battery Voltage
G104 - Relays, Horns and Other Items
G101