GM Service Manual Online
For 1990-2009 cars only
Makes
🢒
Chevrolet
🢒
2000
🢒
Chevy C Pickup - 2WD
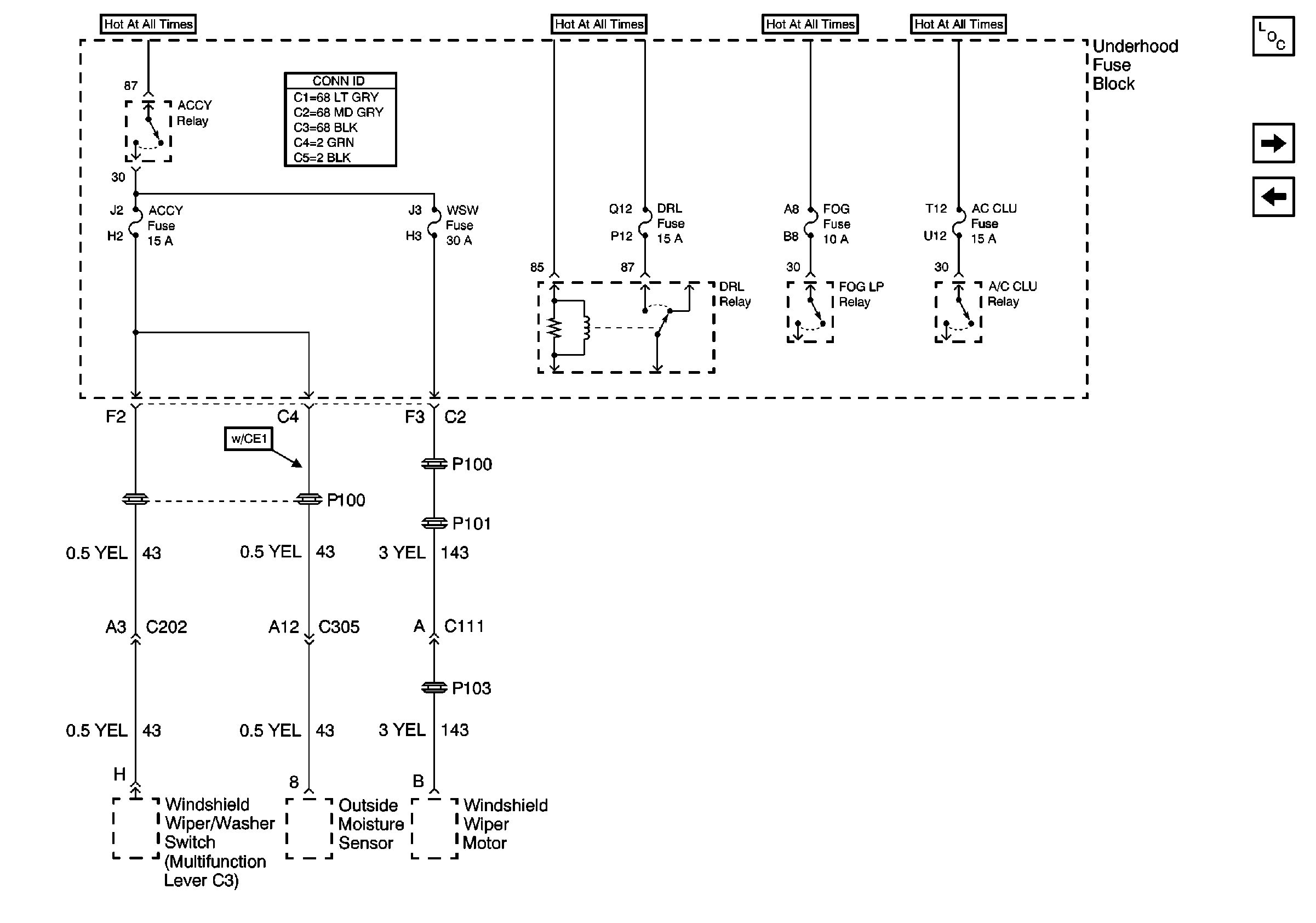
🢒 DRL, FOG, AC CLU, ACCY, WIPER Fuses
DRL, FOG, AC CLU, ACCY, WIPER Fuses
DRL, FOG, AC CLU, ACCY, WIPER Fuses
Power and Grounding Components
COOLFAN1, COOLFAN2, HORN, HDLOBMR, HDLOBML Fuses
START Circuit Breaker, PCM IGN and IGN1 Fuses
Power and Grounding Connector End Views Fuse Blocks and Ignition Switch