GM Service Manual Online
For 1990-2009 cars only
Makes
🢒
Chevrolet
🢒
2000
🢒
Chevy C Pickup - 2WD
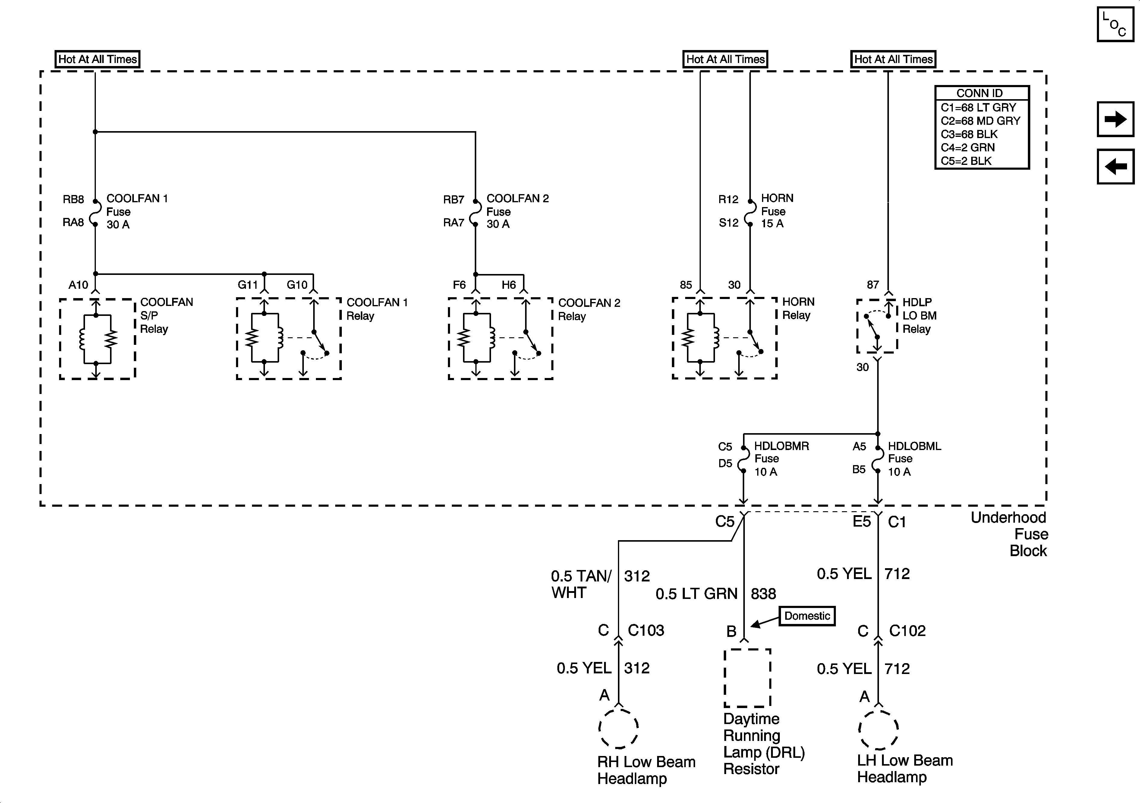
🢒 COOLFAN1, COOLFAN2, HORN, HDLOBMR, HDLOBML Fuses
COOLFAN1, COOLFAN2, HORN, HDLOBMR, HDLOBML Fuses
COOLFAN1, COOLFAN2, HORN, HDLOBMR, HDLOBML Fuses
Power and Grounding Components
HDHIBML, HDHIBMR, ALDL, PCM BATT, IP Fuses
DRL, FOG, AC CLU, ACCY, WIPER Fuses
Power and Grounding Connector End Views Fuse Blocks and Ignition Switch