GM Service Manual Online
For 1990-2009 cars only
Makes
🢒
Chevrolet
🢒
2000
🢒
Chevy C Pickup - 2WD
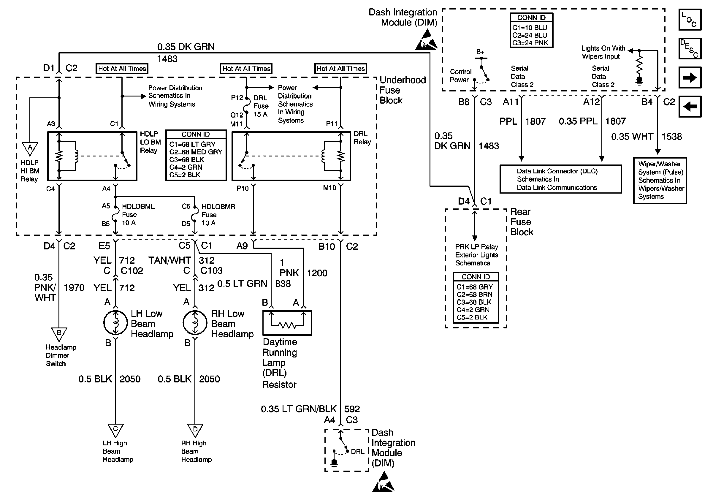
🢒 Low Beam Headlamps
Low Beam Headlamps
Low Beam Headlamps
Lighting Systems Components
Headlights Circuit Description
High Beam Headlamps
Headlamp Switch
Underhood Fuse Block Battery Voltage
Underhood Fuse Block Battery Voltage
High Beam Headlamps
High Beam Headlamps
High Beam Headlamps
High Beam Headlamps
Serial Data Class 2 (1 of 3)
Wiper/Washer Switch and Pump
Headlamp Switch, Park Lamp Relay
Handling ESD Sensitive Parts Notice
Handling ESD Sensitive Parts Notice